Yamato Electric
Yamato Electric GAN3-LA-2DFM

Manufacturer: Yamato Electric Co., Ltd.
Model: GAN3-LA-2DFM
SPT-22 Series (2 Circuits)
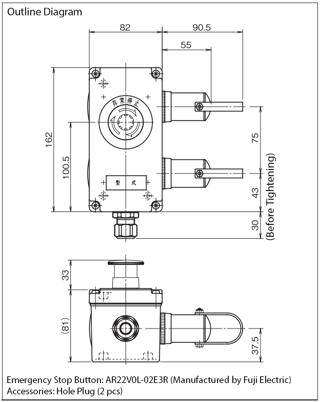
Emergency Stop Button with Side Type: The product is the L-type specification at the time of shipment. (The photo is the L-type) Changes to the R-type must be carried out by the customer.
GAN3-LA-2DFM
- Illuminated Pushbutton

Composition
| Box | GAN-3 |
| Socket | SPT-22F (2 pcs) |
| Plug | SPT-22M (2 pcs) |
| Connector | AYS-9 to 11 |
Related Products
-

Yamato Electric SQ Series Spark Quencher
-

Yamato Electric PS Series Straight Hiflex Connector
-

Yamato Electric LAYS Series Cable Connector for Limit Switches
-

Yamato Electric AYDC Series Non-Waterproof Cannon Plug Connecting Cable Connector
-

Yamato Electric Ultra-oil-resistant, adhesive vinyl-coated flexible cable FCVH
-

Yamato Electric PC Locker Mamoru-kun





