Yamato Electric
Yamato Electric GAN3-LA-2SFM-2L3

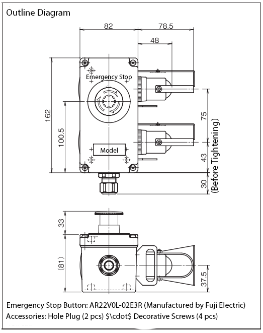
Manufacturer: Yamato Electric Co., Ltd.
Model: GAN3-LA-2SFM-2L3
SPT-11 Series (1 Circuit)
Emergency Stop Button with Side Type: The product is the L-type specification at the time of shipment. (The photo is the L-type) Changes to the R-type must be carried out by the customer.
GAN3-LA-2SFM-2L3
- Illuminated Pushbutton
- With Locking Metal Fitting

Composition
| Box | GAN-3 |
| Socket | SPT-11F (2 pcs) |
| Plug | SPT-11M (2 pcs) |
| Locking Metal Fitting | SPT-L3 (2 pcs) |
| Connector | AYS-9 to 11 |
Related Products
-

Yamato Electric PCS/ PCA Series Calflex Connector
-

Yamato Electric PS Series Straight Hiflex Connector
-

Yamato Electric Uncoated flexible FAN
-

Yamato Electric Fixed relay connector MS-16-22X16F
-

Yamato Electric RPG Series Rotating Setup Connector (Male Thread Type)
-

Yamato Electric Vinyl braid coated (double coated) flexible FCK dedicated connector MSK, MAK





