Yamato Electric
Yamato Electric GAN3-NS-2SFM

Manufacturer: Yamato Electric Co., Ltd.
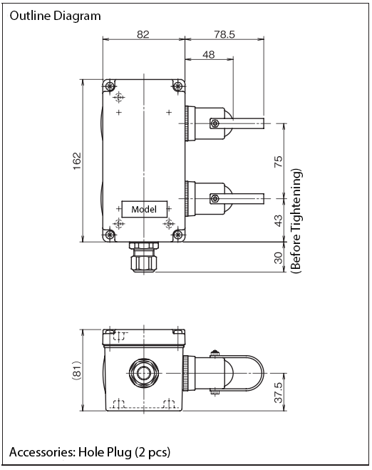
Model: GAN3-NS-2SFM
SPT-11 Series (1 Circuit)
Simple Side Type: The product is the L-type specification at the time of shipment. (The photo is the L-type) Changes to the R-type must be carried out by the customer.
GAN3-NS-2SFM
- Without Pushbutton

Composition
| Box | GAN-3 |
| Socket | SPT-11F (2 pcs) |
| Plug | SPT-11M (2 pcs) |
| Connector | AYS-9 to 11 |
Related Products
-

Yamato Electric TCH-11A Ceiling Mounting Type/ Non-Freon Model
-

Yamato Electric CPX-07E Ceiling Mount Type
-

Yamato Electric PLG Series 90° Angle Connector
-

Yamato Electric Corrugated Vinyl-Coated Flexible Conduit FAG
-

Yamato Electric FAN Series Uncoated Flexible Conduit
-

Yamato Electric YPX-02A Short Model





