Yamato Electric KCH-03AB Side Mounting Type/ Non-Freon Model

Manufacturer: Yamato Electric Co., Ltd.
Model: KCH-03AB

Control Panel Cooler – Non-Freon Model

This is a non-Freon cooler that adopts the new refrigerant R-1234yf.

Features

  • This refrigerant is used in common products utilized daily. You can use it with confidence and peace of mind.
  • The Ozone Depletion Potential (ODP) is zero. It is an extremely environmentally friendly refrigerant.
  • No mandatory management required for various inspections or refrigerant recovery/destruction. Reduces maintenance and disposal costs. (Exempt from the Fluorocarbon Emission Control Law).

Four selectable operating modes.

Features List (Available features vary by model)

Maintenance Notification FunctionRefrigerant Pressure Abnormality AlarmFrost/Freezing Prevention Function
Displays a filter check output signal at set intervals.If the refrigerant pressure rises due to filter clogging or other issues, the unit stops abnormally and the alarm contact is activated.Automatically stops to prevent frost growth on the evaporator.
Temperature Sensor Abnormality AlarmPanel Internal Temperature Abnormality DisplayOverload Protection Device
The unit stops and the alarm contact is activated if there is an abnormality in the panel internal temperature sensor or the evaporator temperature sensor.An abnormality is displayed if the panel internal temperature reaches the set temperature plus 10°C or higher.If the compressor continues to operate under an overload condition, the protection device automatically stops the compressor.
Energy Saving ModeSemi-Recessed Mounting CompatibilityLouver Included
Allows setting for energy-saving operation with restricted functionality for the internal fan, external fan, compressor, etc.Allows for semi-recessed mounting, securing space around the control panel.Equipped with an accessory louver for adjusting airflow direction at the panel internal discharge port.

V.AN COOL (Side Mounting) KCH-03AB

Cooling Capacity: 280/300 W

Maintenance Notification FunctionRefrigerant Pressure Abnormality AlarmTemperature Sensor Abnormality AlarmPanel Internal Temperature Abnormality DisplayEnergy Saving ModeSemi-Recessed Mounting Compatibility

Specifications

Mounting MethodSide Mounting
ModelKCH-03AB-2
Cooling Capacity Note 1 (W)280 / 300
Power Source (Single Phase)200
Power Consumption Note 1 (W)230 / 240
Operating Current Note 1 (A)1.4 / 1.2
Starting Current Note 1 (A)3.7 / 3.6
Recommended Leakage Breaker Capacity Note 2 (A)5
Operating Noise (dBA)61
Refrigerant (Sealed Amount) (g)R-1234yf (140)
Panel Internal Temp. Setting Range (°C)30 ~ 45
Ambient Temperature Range (°C)20 ~ 50
Operating Humidity Range (%)85% or less
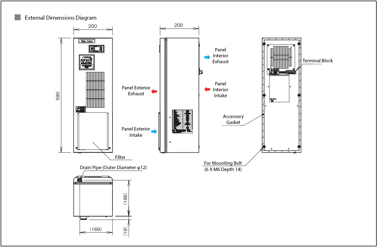
External Dimensions (W × H × D) (mm)200 × 590 × 200
Mass (kg)14
Main Body Coating ColorN8
AccessoriesTerminal Block · 1 pc,
Mounting Bolts (M6 × 35L) · 6 pcs,
Drain Hose (2m) · 1 pc,
Gasket (t8 × 10W 3m) · 1 pc

Note 1: Nominal value when ambient and panel internal temperatures are 35^\circ\text{C}$. Cooling capacity is based on Technical Document No. 007 of the Industrial Association of Thermal Equipment for Control Panels.
Note 2: Rated sensitivity current 30mA.
The values indicated by / are 50Hz on the left and 60Hz on the right.

Cooling Performance Characteristics Graph

Side Mounting KCH-03AB-2

※Be sure to read the “Instruction Manual” before use, and use the product correctly and safely.

REQUEST QUOTATION

PAYMENT

payment-methods

LINK

koueigroup-banner1
koueigroup-banner1

Return Top