Yamato Electric
Yamato Electric MSL/ MAL/ MHL Series Switch Connectors for Limit Use


Manufacturer: Yamato Electric Co., Ltd.
Model: MSL/ MAL/ MHL Series
Switch Connectors for Limit Use — MSL MAL MHL
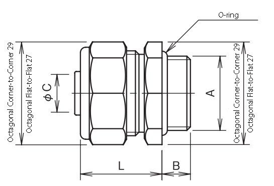
- A connector for connecting a limit switch and flexible conduit.
- MAL and MHL types use a double-nut system, allowing them to be fixed in any direction.
- Waterproof and dustproof construction: Protection grade IP67. (Refer to the compatibility table on P12 for flexible conduits and connectors.)
Straight Connector — MSL


90° Angle Connector — MAL


45° Angle Connector — MHL


Unit: mm
| Part Number | |||||||||||||||||
|---|---|---|---|---|---|---|---|---|---|---|---|---|---|---|---|---|---|
| Nominal Size | Thick Steel Screw A | B | B1 | Inner Diameter C | Length Before Tightening | L2 | L4 | Weight (g) | Quantity per Box (pcs) | ||||||||
| Electrical Conduit Screw Nominal | Pipe Parallel Screw Nominal | L | L1 | L3 | MSL | MAL | MHL | MSL | MAL | MHL | |||||||
| MSL MAL-MHL | 10-16 | CTG16 | G 1/2 | 8 | 14 | 8.2 | 22 | 37 | 29 | 33 | 41 | 50 | 80 | 86 | 25 | 10 | 10 |
| 12-16 | CTG16 | G 1/2 | 8 | 14 | 10.7 | 23 | 40 | 30 | 37 | 42 | 44 | 84 | 84 | 25 | 10 | 10 | |
| Material | Body: MSL, MAL Zinc Alloy Die-Cast MHL Black Heart Malleable Cast Iron | ||||||||||||||||
| Remarks | |||||||||||||||||
Usage Example
Related Products
-

Yamato Electric TBTH-8/ TBTH-10 Terminal Block Equipped Junction Box
-

Yamato Electric FPA Series Calflex
-

Yamato Electric SPX-03A Slim Model
-

Yamato Electric CPX-05E Ceiling Mounting Type
-

Yamato Electric MSE/ MAE Series Vinyl/Blade Sheath (Double Sheath) Flexible Conduit FAE Exclusive Connector
-

Yamato Electric KCH-10A Side Mounting Type/ Non-Freon Model





