Yamato Electric
Yamato Electric PCS/ PCA Series Calflex Connector


Manufacturer: Yamato Electric Co., Ltd.
Model: PCS/ PCA Series
Calflex Connector PCS PCA
- This is a standard connector for connecting control panels and Calflex flexible conduits.
- It can be easily assembled with the Calflex by hand-tightening.
- The connector body and cover nut parts use non-halogen materials with UL94V-2 flame retardancy and do not generate harmful gases.
- Waterproof/Dustproof Construction: IP65 Protection Rating.
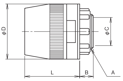
Straight Connector PCS

Unit: mm
| Symbol | |||||||||
|---|---|---|---|---|---|---|---|---|---|
| Model Name | Thick Wall Thread A | B | C | D | L | Mass (g) | Quantity per Bag (pcs) | ||
| Conduit Thread Name | Piping Thread Name | Recommended Mounting Hole | |||||||
| PCS-12-16 | CTG 16 | G 1/2 | 21 | 12 | 10 | 30 | 32 | 18 | 10 |
| PCS-14-16 | CTG 16 | G 1/2 | 21 | 12 | 13.2 | 33.5 | 33 | 20 | 10 |
| PCS-16-16 | CTG 16 | G 1/2 | 21 | 12 | 15.2 | 35 | 35 | 23 | 10 |
| PCS-22-22 | CTG 22 | G 3/4 | 27 | 12.5 | 20.9 | 44 | 44 | 38 | 10 |
| PCS-28-28 | CTG 28 | G 1 | 34 | 13 | 26.4 | 53 | 52 | 61 | 10 |
| Material | Polyamide (PA6) | ||||||||
| Remarks | |||||||||
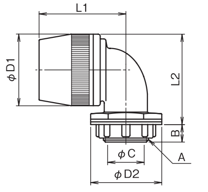
90° Angle Connector PCA

Unit: mm
| Symbol | ||||||||||||
|---|---|---|---|---|---|---|---|---|---|---|---|---|
| Model Name (呼称) | Thick Wall Thread A | B | C | D1 | D2 | L1 | L2 | Mass (g) | Quantity per Bag (pcs) | |||
| Conduit Thread Name | Piping Thread Name | Recommended Mounting Hole | ||||||||||
| PCA-12-16 | CTG 16 | G 1/2 | 21 | 12 | 15.7 | 30 | 30 | 36.5 | 41 | 22 | 10 | |
| 14-16 | CTG 16 | G 1/2 | 21 | 12 | 15.7 | 33.5 | 33.5 | 40.5 | 45.5 | 25 | 10 | |
| 16-16 | CTG 16 | G 1/2 | 21 | 12 | 15.7 | 35 | 35 | 42.5 | 47 | 28 | 10 | |
| 22-22 | CTG 22 | G 3/4 | 27 | 12.5 | 21.1 | 44 | 44 | 50.5 | 58 | 47 | 10 | |
| 28-28 | CTG 28 | G 1 | 34 | 13 | 27 | 53 | 53 | 64 | 67 | 77 | 10 | |
| Material | Polyamide (PA6) | |||||||||||
| Remarks | ||||||||||||
Related Products
-

Yamato Electric PSG Series Straight Hiflex Connector
-

Yamato Electric SPRS-L1 Locking Metal Fitting For SPRS-11G
-

Yamato Electric KCHS-07A-2 Side Mounting Type/ Non-Freon/ Non-Drain Model
-

Yamato Electric Cylinder Jacket
-

Yamato Electric Ultra-oil-resistant corrugated vinyl-coated flexible cable FAGH
-

Yamato Electric NYS Series Multi-Core Cable Connector (Resin)





