Yamato Electric
Yamato Electric PLG Series 90° Angle Connector

Manufacturer: Yamato Electric Co., Ltd.
Model: PLG Series
90° Angle Connector PLG
- This is a 90° angle connector for connecting control panels and Hiflex PT flexible conduits.
- It uses a union method where the body and cap are tightened with a cover nut, which makes installation work easy.


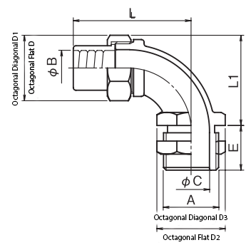
Unit: mm
| Symbol | ||||||||||||||
|---|---|---|---|---|---|---|---|---|---|---|---|---|---|---|
| Model Name | Thick Wall Thread A | B | C | E | L | L1 | Across Flats D | Across Corners D1 | Across Flats D2 | Across Corners D3 | Mass (g) | Quantity per Bag (pcs) | ||
| Conduit Thread Name | Piping Thread Name | Recommended Mounting Hole | ||||||||||||
| PLG-10 | CTG 16 | G 1/2 | 21 | 13.4 | 14 | 17 | 42.5 | 29 | 27 | 27 | 29 | 29 | 70 | 20 |
| 12 | CTG 16 | G 1/2 | 21 | 16.2 | 15 | 17 | 45.5 | 34 | 27 | 27 | 29 | 29 | 84 | 16 |
| 15 | CTG 16 | G 1/2 | 21 | 19.1 | 14.5 | 15 | 48 | 38 | 30 | 30 | 32 | 32 | 140 | 8 |
| 17 | CTG 22 | G 3/4 | 27 | 21.6 | 20 | 18 | 64 | 51.5 | 36 | 36 | 36 | 39 | 244 | 5 |
| 24 | CTG 28 | G 1 | 34 | 28.9 | 24 | 18 | 72.5 | 57 | 45 | 45 | 48 | 48 | 392 | 4 |
| 30 | CTG 36 | G 1 1/4 | 42 | 35 | 33 | 22 | 91.5 | 74.5 | 57 | 57 | 61 | 61 | 736 | 2 |
| 38 | CTG 42 | G 1 1/2 | 48 | 43 | 38 | 30 | 96.5 | 78.5 | 64 | 64 | 69 | 69 | 916 | 2 |
| 50 | CTG 54 | G 2 | 60 | 55 | 49 | 30 | 111.5 | 95 | 78 | 78 | 84 | 84 | 1434 | 1 |
| 63 | CTG 70 | G 2 1/2 | 76 | 69.5 | 64 | 30 | 126 | 112 | 96 | 96 | 103 | 103 | 2422 | 1 |
| 76 | CTG 82 | G 3 | 88 | 83 | 64 | 30 | 147 | 134 | 108 | 108 | 116 | 116 | 3086 | 1 |
| Material | Body: Zinc Alloy Die-Cast, Black Malleable Iron | |||||||||||||
| Remarks | ||||||||||||||
Related Products
-

Yamato Electric LN Series Lock Nut
-

Yamato Electric KCH-08AB Side Mounting Type/ Non-Freon Model
-

Yamato Electric Ultra-oil-resistant, adhesive vinyl-coated flexible cable FCVH
-

Yamato Electric KCS-07EB Side Mounting Type/ Non-Drain Model
-

Yamato Electric Braid-coated semi-interflex FSW
-

Yamato Electric KCH-22A Side Mounting Type/ Non-Freon Model





