Daito Kogyo Co.
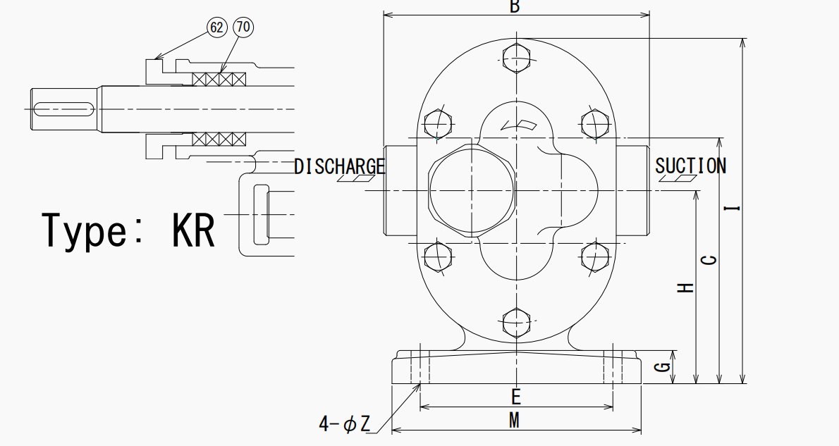
Daito Kogyo KR type 1/4 – 1B Gear Pump

Manufacturer: Daito Kogyo Co., Ltd.
Model: KR type 1/4 – 1B
Features
- A gear pump for transporting lubricant oil with a gland packing type of shaft seal. It is widely used for various kinds of paints.




V be lt drive S ize table













