DEICY
Deicy MHR5500 Series Magnetic-Hall Rotary Position Sensor

Manufacturer: DEICY Co., Ltd.
Model: MHR5500 Series
Features
- The magnet and sensing units are housed in separate housings
- Angle range: 20° to 360°, every 1°
- High vibration applications
- 5 VDC or 8 to 30 VDC powered
- Protection class IP68/IP69K
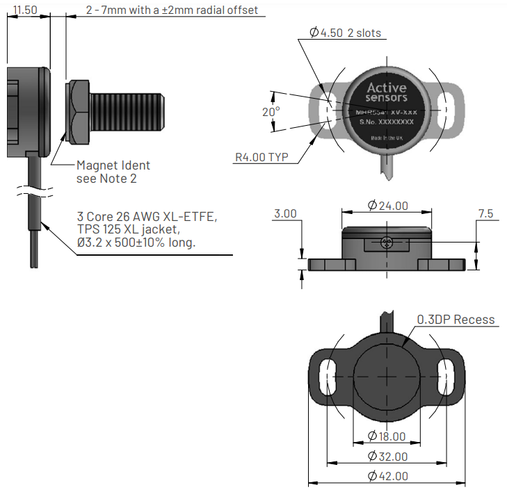
■ Dimensions for MHR5540 – Flange mounting with magnet options

■ Dimensions for MHR554X XV-XXX Magnet holder options












