DEICY
Deicy MHR5600 Series Magnetic-Hall Rotary Position Sensor

Manufacturer: DEICY Co., Ltd.
Model: MHR5600 Series
Features
- Dual electrically isolated outputs
- Angle range: 20° to 360°, every 1°
- 3 types of stainless steel shafts
- High vibration applications
- 5 VDC or 8 to 30 VDC powered
- Protection class IP68/IP69K
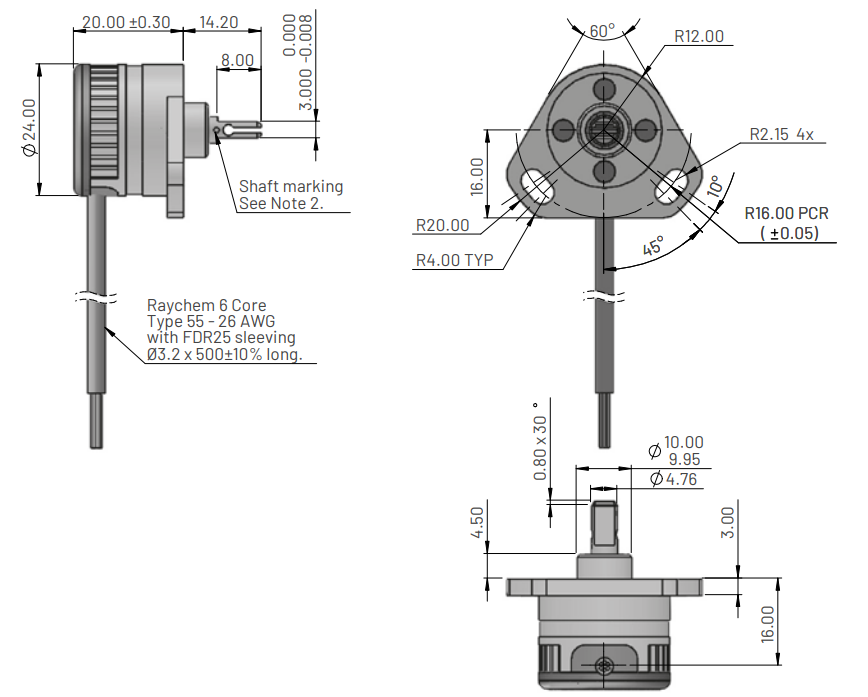
■ Dimensions for MHR5610 – Triangular Flange mounting with a sprung shaft

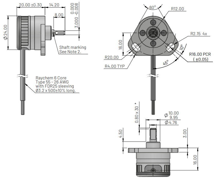
■ Dimensions for MHR5620 – Triangular Flange mounting with a round shaft

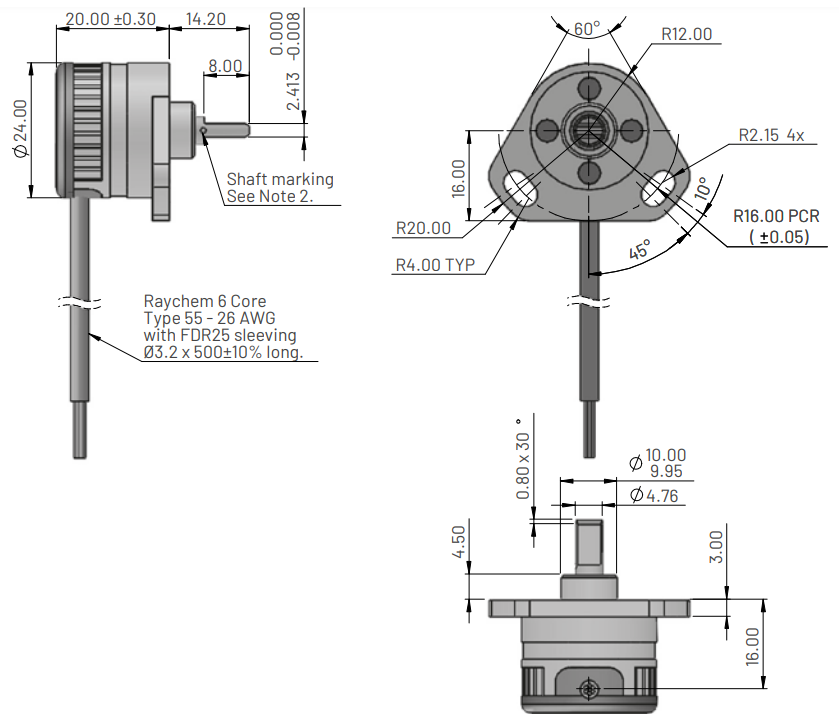
■ Dimensions for MHR5630 – Triangular Flange mounting with a blade shaft

Related Products
-

Deicy XLS0950 Series DC/DC LVDT
-

Deicy SLS1500 Series General Purpose Linear Potentiometer
-

Deicy VLP1500 Series High Performance Linear Potentiometer
-

Deicy M01-CAN CAN Output Pressure Sensor
-

Deicy MHR5450 Series Magnetic-Hall Rotary Position Sensor
-

Deicy AR-60ST8D 8-channel Dynamic Strain/DC Voltage Input Amplifier Module





