DEICY
Deicy MHR5800 Series Magnetic-Hall Rotary Position Sensor

Manufacturer: DEICY Co., Ltd.
Model: MHR5800 Series
Features
- Electrically isolated quad output
- Angle range: 20° to 360°, every 1°
- 3 types of stainless steel shafts
- High vibration applications
- 5 VDC or 8 to 30 VDC powered
- Protection class IP68/IP69K
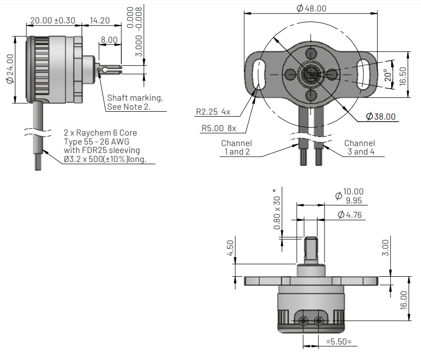
■ Dimensions for MHR5810 – Flange mounting with a sprung shaft

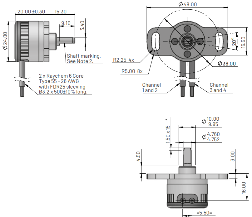
■ Dimensions for MHR5820 – Flange mounting with a round shaft

■ Dimensions for MHR5830 – Flange mounting with a sprung shaft

Related Products
-

Deicy KS91 One Axis Small And Lightweight Subminiature Type
-

Deicy MHR5100 Series Magnetic-Hall Rotary Position Sensor
-

Deicy MHR5500 Series Magnetic-Hall Rotary Position Sensor
-

Deicy OMS4100 Series Laser Displacement Sensor
-

Deicy M29, M33 IEPE Amplifier Unit
-

Deicy Wideband Data Recording System Dragonfly Series





