Denki Keiki Co.
Denki Keiki Co., Ltd. AT Series For Dry Low-Pressure Applications

Manufacturer: Denki Keiki Co., Ltd.
Model: AT Series
Features
- Our starters originated from the dry-type low-voltage starting transformer.
- This transformer was standardized in 1949 for marine applications, where minimizing power capacity was crucial.
- Since then, we have continuously improved upon the design.
- It has become a testament to its ability to withstand harsh operating conditions.
Specifications
| Applicable standards | JEC-2200, JEC-2201 |
| Heat resistance class | 7.5kW~55kW (1-minute rated power) … B grade |
| Rated use | Short-time rated products |
| Ambient temperature | Ambient temperature below 40°C with daily average temperature below 35°C (no seasonal variations) |
| Rated frequency | 50Hz, 60Hz |
| Rated voltage | 200V, 220V, 400V, 440V |
| Rated map | 50%~65%~80% |
| Time rating | 0.5 min, 1 min, 2 min, 3 min |
| Insulation frequency | 220V AC2kV, 440V AC4kV |
| Record plate | English |
| Options | With car wheels, special taps, end caps, heat treatment |
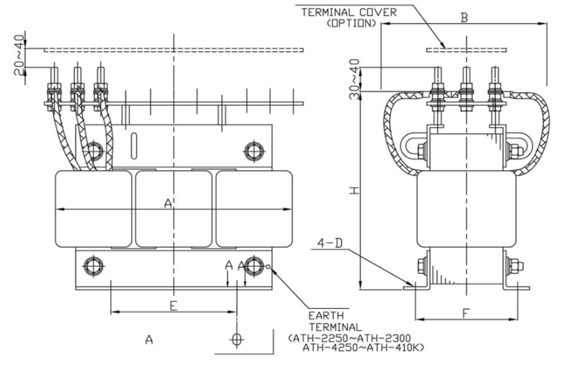
◆ Wiring Diagram

Related Products
-

Denki Keiki Co., Ltd. Current Transformer For Instruments
-

Denki Keiki Co., Ltd. High-Frequency Transformer
-

Denki Keiki Co., Ltd. AC Reactor
-

Denki Keiki Co., Ltd. NRT Series Transformers for Preventing Interference Waves
-

Denki Keiki Co., Ltd. High-Voltage Molded Transformer
-

Denki Keiki Co., Ltd. AT-W Series For Dry-Type High-Voltage Applications





