Denki Keiki Co.
Denki Keiki Co., Ltd. SRJ Series For Dry High-Pressure Applications

Manufacturer: Denki Keiki Co., Ltd.
Model: SRJ Series
Features
- We have optimized the ratio of the iron core, wires, and gap material of the structural components using computer simulations.
- As a result, we have achieved a smaller, lighter, and slimmer design.
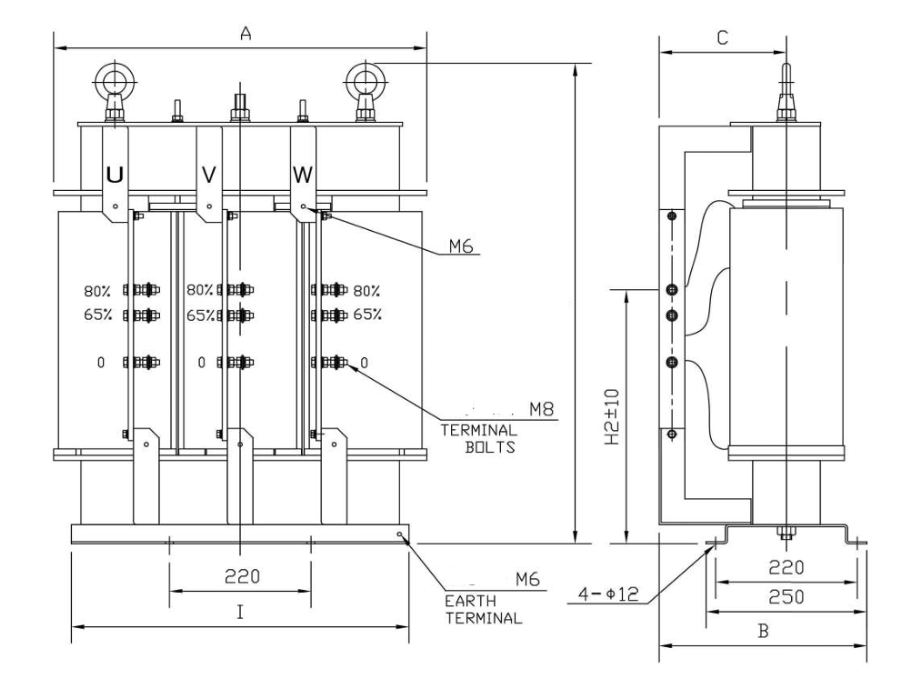
- Additionally, by arranging the external connection terminals vertically, we have prevented the accumulation of dust and other particles.
- This design helps to avoid tracking phenomena caused by these particles.
Specifications
| Applicable standards | JEC-2200, JEC-2201, JEC-2210 |
| Heat resistance class | H grade |
| Rated use | Short-time rated products |
| Ambient temperature | Ambient temperature below 40°C with daily average temperature below 35°C (no seasonal variations) |
| Rated frequency | 50Hz, 60Hz |
| Rated voltage | 3000V, 3300V, 6600V |
| Rated map | R65~80% |
| Time rating | 0.5 min, 1 min, 2 min, 3 min |
| Insulation frequency | 3300V LI30kV AC10kV, 6600V LI145kV AC16kV |
| Record plate | English |
| Options | With car wheels, special taps, heat treatment |
◆Wiring Diagram


Related Products
-

Denki Keiki Co., Ltd. High-Frequency Transformer
-

Denki Keiki Co., Ltd. High Reactance Transformer
-

Denki Keiki Co., Ltd. Current Transformer For Instruments
-

Denki Keiki Co., Ltd. ATR Series For Dry High And Low Pressure Applications
-

Denki Keiki Co., Ltd. Series Reactor
-

Denki Keiki Co., Ltd. SR Series For Dry Low-Pressure Applications





