Exen, Preumatic Blaster
EXEN EDB2.5-20 Direct Blaster

Products Made In Japan
Manufacturer: EXEN
Model: EDB2.5-20
Safety measure to eliminate obstruction
This product is used for the following applications:
- 01.Beer manufacturer: prevention of blockage in storage silo of malt pomace
- 02.Prevention of blockage in fine sand silo
- 03.Prevention of blockage in ready-mixed concrete silo in dam site
- 04.Prevention of blockage in fractured textile storage hopper in textile factory
- 05.Elimination bridging of agrichemical/Elimination of adhesion of silica gel to wall surface
Features
Pneumatic direct blaster eliminates a blockage by blasting the compressed air directly to the powder that caused adhesion or clogging. It has a large destruction force and is excellent in safety. It produces an effect especially on the powder that adheres when vibrated. Its operation is easy and multiple units can be operated simultaneously. The models are available in the tank capacity of 2.5L to 230L so that selection can be made depending on the size of tank and hopper, and the blockage situation. ※For the operating principle of air relay knocker, also refer to “Operating principle of flow aid”.
New valve mechanism improving maintenability
For the conventional blaster, once installed in the silo or hopper, it was necessary to replace the product itself when replacing a consumable part. This took lots of hard work because the product may have been installed to a high place. By adopting the new valve mechanism in which the above disadvantage is removed, a consumable part in the valve can be easily replaced at the installation site, which improves the maintenability.

All pressure tanks comply with design standards of class-2 pressure vessel
Like the production series (pneumatic direct blaster and pneumatic twin blaster), the pressure tank for pneumatic filling is designed and manufactured in accordance with the class-2 pressure vessel standards (JIS). Although the above standards are applied to pressure tanks with capacity of 40L or more, EXEN applies the standards to all models (20L to 230L) for customers to use them safely. In consideration of maintenance, the meter is mounted outside to be able to check whether pneumatic filling is sufficient in the pressure tank.
(standard equipment in all models)
Large effect of blockage elimination

Since it acts directly on the contents rather than vibrating or hitting from the outside of the container, the effect is large, so the dead stock remaining inside the silo is also less. In the case of the aggregate silo of the ready mixed concrete producer, it can be operated from the central control room, so it is adopted by many ready mixed concrete producer and is pleased.

Safety first in factory
Accidents have occurred continuously owing to reliance on man-powered work for eliminating blockage in silo. The blockage in silo is caused by an arching phenomenon and balance of contents. An imbalance from man-powered work causes the contents to start flowing, which will result in a large-scale accident. The pneumatic direct blaster is adopted in many sites for the purpose of preventing the above accident causing injury or death.

Variable injection force by pressure regulation
Adoption of mushroom valve method allows an injection force to be adjusted by changing the pressure of supplied air. If there is a request to make replacement for larger or smaller equipment, the issue can be solved by pressure regulation with unnecessary replacement work.
Nitrogen gas can also be used
If the contents are flammable or likely to be exploded, nitrogen gas can be used as injection air. The safety measures for explosion proof can be secured by the blaster, which results in cost reduction. This product has a large number of proven track records in the waste disposal plant, etc.
Dedicated nozzles are available as options
Various types of dedicated nozzles are available, which can be chose depending on the situation of adhesion or clogging and installation location.

For manufacturing of special nozzle with heat resistance of 1000℃ or more, contact EXEN.
Specification
EDB
Model Outlet dia.
(in)Tank capacity
(L)Tank maximum
allowable working
pressure
(MPa)Working pressure
(MPa)Available gas Coating Weight
(kg)Inner surface Outer surface EDB2.5-20 2.5 20 0.97 0.3 – 0.7 Compressed air
or
Nitrogen gasEpoxy resin coating 38 EDB2.5-30 30 42 EDB2.5-38 38 50 EDB4-60 4 60 81 EDB4-80 80 81 EDB4-130 130 103 EDB6-230 6 230 168 (Imperial System)
Model Outlet dia.
(in)Tank capacity
(L)Tank maximum
allowable working
pressure
(MPa)Working pressure
(MPa)Available gas Coating Weight
(kg)Inner surface Outer surface EDB2.5-20 2.5 20 140.7 43.5 – 101.5 Compressed air
or
Nitrogen gasEpoxy resin coating 83.8 EDB2.5-30 30 92.6 EDB2.5-38 38 110.2 EDB4-60 4 60 178.6 EDB4-80 80 178.6 EDB4-130 130 227.1 EDB6-230 6 230 370.4 *The solenoid valve assembly is sold separately. Confirm the voltage before ordering it.
*Tanks are designed and manufactured with a maximum working pressure specified to 0.97MPa.Dimensions, installation, control panel
Product dimensional drawings

Product dimensional table
Model Outlet dia. Total length Width Tank size Inlet Eye Bolt A B F L W1 W2 ΦD E G EDB2.5-20 65A 140 4-M16 959 390 500 216 566 15A
(1/2B)M12 EDB2.5-30 949 417 527 267 494 EDB2.5-38 1095 640 EDB4-60 100A 175 8-M20 1296 494 604 319 712 M16 EDB4-80 1003 582 691 462 350 EDB4-130 1338 685 EDB6-230 150A 240 8-M20 1779 664 774 512 1012 M20 (Imperial System)
Model Outlet dia. Total length Width Tank size Inlet Eye Bolt A B F L W1 W2 ΦD E G EDB2.5-20 2.6 5.5 4-5/8 3’2″ 1’3″ 1’8″ 8.5 1’10” 15A
(1/2B)7/16 EDB2.5-30 3’1″ 1’4″ 1’9″ 10.5 1’7″ EDB2.5-38 3’7″ 2’1″ EDB4-60 3.9 6.9 8-5/8 4’3″ 1’7″ 2’0″ 1’1″ 2’4″ 5/8 EDB4-80 3’3″ 1’11” 2’3″ 1’6″ 1’2″ EDB4-130 4’5″ 2’3″ EDB6-230 5.9 9.4 8-3/4 5’10” 2’2″ 2’6″ 1’8″ 3’4″ 3/4 Installation method
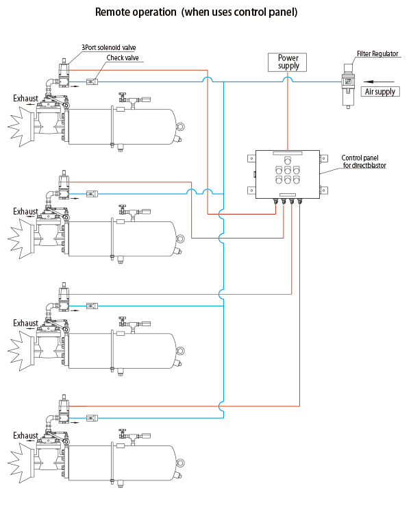
Multiple EXEN direct blasters can be remotely operated with the control panel. If only one unit is operated, it can be in either of manually or electrically.
If the powder likely to cause dust explosion is used in the electric operation, changing the three-way valve to the explosion-proof solenoid valve allows the safe operation.
*If multiple blasters are installed to one air supply source or the aeration is combined, be sure to install the check valves to the air supply side before the solenoid valves, respectively, to prevent abnormal injection owing to decompression on the primary side.

■Calculation of necessary amount of air

V: Necessary amount of air (L/min (ANR)), Vo: Total tank capacity (L)
P: Operating pressure (MPa), M: Operating cycle (min)
Example) When using six EDB2.5-30 models at an operating pressure of 0.7MPa, at an interval of 5 minutes:

Sufficiently usable with a compressor of 2.2kW.
*Use a compressor with a discharged amount of air of 200L/min (ANR) (1.5kW) or more. If the compressor with 200L/min (ANR) or less, connect the receiver tank of 10L or more just before the three-way solenoid valve.












