Mizumoto Machine Mfg. Co.
Mizumoto HD Series Hanger Unit Type D

Manufacturer: Mizumoto Machine Mfg. Co., Ltd.
Model: HD Series
Features
- The ring part falls over, so it is less likely to get in the way when not in use.
- It is installed on walls, floors, pillars, etc., and is used as a terminal hardware for chains, wires, and ropes.
- Stainless steel plate with wooden twister.
Specifications
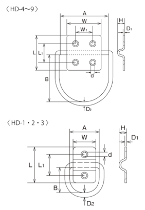
| Model | D1 | L | L1 | W | W1 | H | d | D2 | A | B | Weight (g) | Reference Usage Weight (kN) |
|---|---|---|---|---|---|---|---|---|---|---|---|---|
| HD-1(B-844) | 1.5 | 26 | 15.5 | 13 | – | 6.5 | 3.2 | 4 | 20 | 17 | 12 | 10 (kN) / 10 |
| HD-2(B-845) | 1.5 | 36 | 21 | 18 | – | 7.5 | 3.2 | 4 | 20 | 17 | 16 | 10 (kN) / 10 |
| HD-3(B-846) | 1.5 | 36 | 21 | 23 | – | 7.5 | 4.2 | 5 | 30 | 27 | 26 | 10 (kN) / 10 |
| HD-4(B-847) | 1.5 | 28 | 17 | 28 | 14 | 7.5 | 3.2 | 5 | 35 | 32 | 29 | 10 (kN) / 10 |
| HD-5(B-848) | 1.5 | 33 | 20 | 33 | 16.5 | 7.5 | 3.5 | 5 | 40 | 37 | 37 | 10 (kN) / 10 |
| HD-6(B-849) | 1.5 | 38 | 22.5 | 38 | 19 | 8.5 | 3.5 | 5 | 45 | 42 | 45 | 10 (kN) / 10 |
| HD-7(B-850) | 2 | 48 | 26 | 48 | 21.5 | 11 | 4.2 | 6 | 45 | 42 | 71 | 15 (kN) / 15 |
| HD-8(B-851) | 2 | 48 | 28.5 | 48 | 24 | 11 | 4.2 | 6 | 50 | 47 | 82 | 15 (kN) / 15 |
| HD-9(B-852) | 2 | 53 | 31 | 53 | 26.5 | 11 | 4.2 | 6 | 55 | 52 | 93 | 15 (kN) / 15 |
*HD-1, HD-2, and HD-3 have two holes.
*Stainless steel plate with wooden twister.
Dimensions (mm)












