Mizumoto Machine Mfg. Co.
Mizumoto KLT Series Rack Acceptance

Manufacturer: Mizumoto Machine Mfg. Co., Ltd.
Model: KLT Series
Features
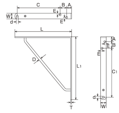
- Please use the screws on the countersunk head.
- Put the shelf on the shorter one.
- The reinforcing bar is removable and can be removed and used as a corner bracket (sitting is only on one side from the inside).
- To make shelves.
- Comes with 6 stainless steel plate tapping (use the long one as the wall side and the short one as the shelf side).
Specifications
| Item Number | L (Length) | L1 (Length 1) | W (Width) | d | D | T | A | B | C | C1 | E | Weight (g) | Reference Load (kg) |
|---|---|---|---|---|---|---|---|---|---|---|---|---|---|
| KLT-150 | 150 | 200 | – | 5 | 6 | 3 | 20 | 30 | 30 | 140 | 6 | 232 | 40 |
| KLT-200 | 200 | 250 | 25 | 5 | 6 | 3 | 20 | 30 | 30 | 140 | 6 | 294 | 45 |
| KLT-250 | 250 | 300 | – | 6 | 6 | 3 | 20 | 30 | 30 | 240 | 6 | 370 | 50 |
*Please use the long side as the wall side and the short side as the shelf side.
*The D bar is removable. It can be removed and used as a corner fitting.
(The counterbore is one side from the inside.)
*Hairline finish
*Includes 6 stainless steel plate tapping
Dimensions (mm)












