NIC AUTOTEC
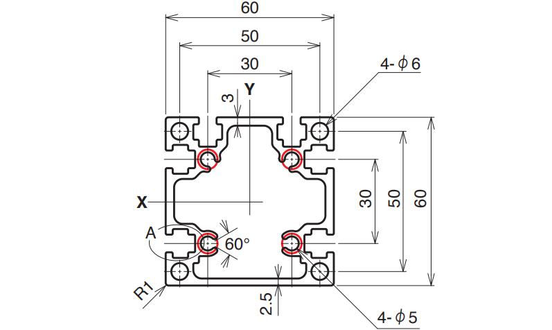
NIC Autotec AFSF-6060-6 Basic Frame

Manufacturer: NIC Autotec, Inc.
Model: AFSF-6060-6
Dimensions

Specifications
| Length | Page length * 1 | Material | Tensile Fitness | Cross-sectional Area | Mass | Second Moment of Area |
|---|---|---|---|---|---|---|
| 6,000 mm | 15–4,000 mm | A6063S-T5 (205) | 225 N/mm² | 977.3 mm² | 2.639 kg/m | Ix 43.2 × 10⁴ mm⁴ Iy 44.2 × 10⁴ mm⁴ |











