NIC AUTOTEC
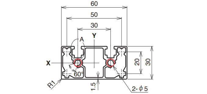
NIC Autotec AFSU-3060L-6 Basic Frame

Manufacturer: NIC Autotec, Inc.
Model: AFSN-3060L-6
Dimensions

Specifications
| Length | Page length * 1 | Material | Tensile Fitness | Cross-sectional Area | Mass | Second Moment of Area |
|---|---|---|---|---|---|---|
| 6,000 mm | 15–4,000 mm | A6063S-T5 (205) | 225 N/mm² | 489.0 mm² | 1.320 kg/m | Ix 5.16 × 10⁴ mm⁴ Iy 18.5 × 10⁴ mm⁴ |











