NT TOOL CORPORATION
NT Tool Corporation BM Back Chamfering Cutter

Manufacturer: NT TOOL CORPORATION
Model: BM
Feature
- For back spot-facing with axially adjustable maachines such as machining center and milling machine.
- Commercially available inserts can be used. Great for cost saving.
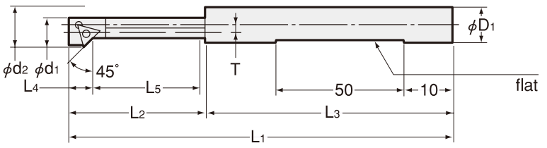
Dimensions

| Model | φd1 | φd2 | T | φD1 | L1 | L2 | L3 | L4 | L5 | kg |
|---|---|---|---|---|---|---|---|---|---|---|
| BM068095 | 6.8 | 9.5 | 1.8 | 12.0 | 109 | 39 | 70 | 5 | 32 | 0.07 |
| BM085115 | 8.5 | 11.5 | 2.1 | 12.0 | 119 | 49 | 70 | 5 | 42 | 0.07 |
| BM100140 | 10.0 | 14.0 | 2.8 | 16.0 | 131 | 61 | 70 | 7 | 52 | 0.13 |
| BM120160 | 12.0 | 16.0 | 2.8 | 16.0 | 136 | 66 | 70 | 7 | 57 | 0.14 |
| BM140185 | 14.0 | 18.5 | 3.2 | 20.0 | 142 | 72 | 70 | 8 | 62 | 0.21 |
| BM160205 | 16.0 | 20.5 | 3.2 | 20.0 | 152 | 82 | 70 | 8 | 72 | 0.24 |
Related Products
-

NT Tool Corporation ASB Series Quick Change Drilling Chuck
-

NT Tool Corporation NC Tooling System SGA Single Cutter Head
-

NT Tool Corporation NC Tooling System BT Master Shank
-

NT Tool Corporation KH-A-NL Series Quick Change Stub Tapper
-

NT Tool Corporation NC Tooling System AHO・A-AH / AH-OH (45°) Angle Heads (Fixed Type)
-

NT Tool Corporation SPN Series Simple Setter For NC Tooling





