Osaka Vacuum
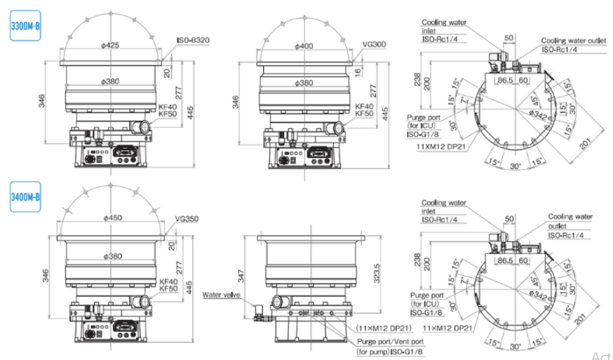
Osaka TGkine3300M-B / 3400M-B Turbo Molecular Pumps

Manufacturer: Osaka Vacuum, Ltd.
Model: TGkine3300M-B / 3400M-B
Features
- Integrated controller and power supply
- Energy saving
- Compact
- IP54 Standard
- Multiple interface options
- Conformed to International Standards:
- CE / NRTL / SEMI-S2
- Following features of the TG-M series
Specifications
| Model | TGkine3300M-B | TGkine3400M-B | ||
|---|---|---|---|---|
| TGkine3304M-B | TGkine3305M-B | TGkine3404M-B | TGkine3405M-B | |
| Inlet flange | ISO-B320 | |||
| Outlet flange | KF40 | KF50 | KF40 | KF50 |
| VG300 | VG350 | |||
| Volume flow rate N₂ (L/s) | 3300 | 3300 | ||
| N₂ (with protective screen; L/s) | 3100 | 3100 | ||
| H₂ (L/s) | 2700 | 2700 | ||
| Max. compression ratio (N₂) | >1×10⁸ | >1×10⁸ | ||
| Max. compression ratio (H₂) | 3×10³ | 3×10³ | ||
| Max. throughput N₂ (sccm) | 2100 | 2100 | ||
| Ar (sccm) | 1600 | 1600 | ||
| Base pressure (Pa) | <2×10⁻⁷ | <2×10⁻⁷ | ||
| (Torr) | <1.5×10⁻⁹ | <1.5×10⁻⁹ | ||
| Startup time (min) | ≤11 | ≤11 | ||
| Shutdown time (min) | ≤13 | ≤13 | ||
| Max. backing pressure (Pa) | 170 | 170 | ||
| (Torr) | 1.28 | 1.28 | ||
| Recommended backing pump (L/min) | ≥2000 | ≥2000 | ||
| Mounting orientation | Any | Any | ||
| Input voltage (V) | AC200–240V | AC200–240V | ||
| Input phase | Single | Single | ||
| Input frequency (Hz) | 50 / 60 | 50 / 60 | ||
| Input current (A) | Max. 5.9 | Max. 5.9 | ||
| Input power (kVA) | Max. 1.0 | Max. 1.0 | ||
| Weight (kg) | 70 | 69 | 72 | 72 |
Notes:
- Please contact us for the specific model name.
- Specifications may vary depending upon the model.
- 1Pa·L/s(25℃)=0.543sccm(0℃, 1atm).
- When the pump is backed by a 5000 L/min backing pump.
- Pressure attained after 48 hours of bake-out.
- Max. foreline pressure in which the pump can continue to run without triggering the fail-safe acceleration–shutdown feature.
Dimensions












