Osaka Vacuum
Osaka W150S/WA150S Liquid-Ring Vacuum Pumps

Manufacturer: Osaka Vacuum, Ltd.
Model: W150S/WA150S
Features
- Ideal for exhausting water vapor, water droplets, and organic solvents.
- Good also for exhausting gases with dust and particles.
- It can also exhaust flammable corrosive gases.
- Simple construction, economical design.
- Material and seal type can also be changed.
- A variety of sealing liquids can be used.
- Effective as the final stage in compound exhaust systems.
- Can achieve base pressure below the steam pressure of the liquid ring by attached the air ejector.
Specifications
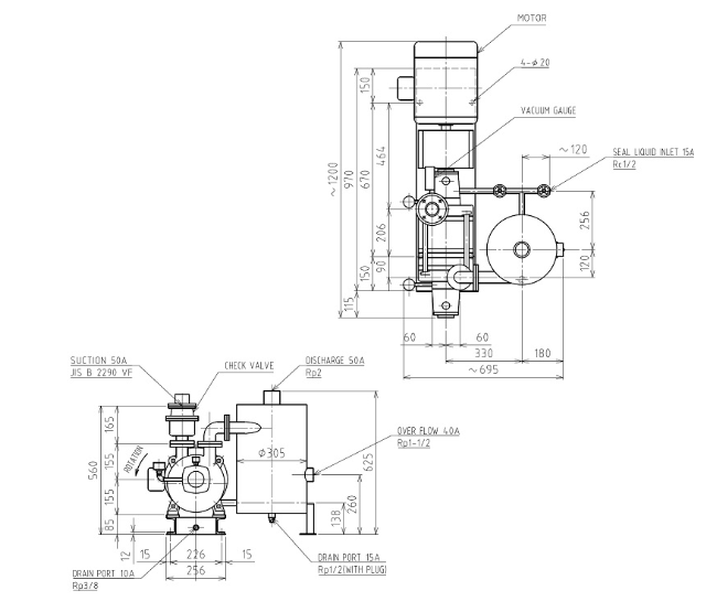
Model | W150S | WA150S※1 | ||
| Inlet flange | 50A JIS B 2290 VF | |||
| Nominal pumping speed (m3/h) | 50Hz | 120 | ||
| 60Hz | 145 | |||
| Base pressure (kPa)※2 | 2.7 | 0.8 | ||
| Rotating speed (min-1) | 50Hz | 1450 | ||
| 60Hz | 1750 | |||
| Standard motor output (kW) | 5.5 | |||
| Refill water level (m3/h)※3 | 0.72 | |||
| Weight (kg) | With fully-enclosed fan cooled indoor-use motor※4 | 200 | 220 | |
| Without motor | 140 | 160 | ||
*1 : WA is equipped with a single-stage air-ejector.
*2 : For a water temperature of 15℃.
*3 : Maximum refilling water temperature should be 35℃.
*4 : Non-standard motors are also available.
-Allowable ambient temperature: 10 to 40℃ during operation, -5 to +60℃ in storage.
-Drain water before storing to prevent freezing over.
Dimensions












