Osaka Vacuum
Osaka W310S/WA310S/WB310S Liquid-Ring Vacuum Pumps

Manufacturer: Osaka Vacuum, Ltd.
Model: W310S/WA310S/WB310S
Features
- Ideal for exhausting water vapor, water droplets, and organic solvents.
- Good also for exhausting gases with dust and particles.
- It can also exhaust flammable corrosive gases.
- Simple construction, economical design.
- Material and seal type can also be changed.
- A variety of sealing liquids can be used.
- Effective as the final stage in compound exhaust systems.
- Can achieve base pressure below the steam pressure of the liquid ring by attached the air ejector.
- A 2-stage air ejector offers even better pressure.
Specifications
Model | W310S | WA310S※1 | WB310S※2 | ||
Inlet flange | 50A JIS B 2290 VF | ||||
Nominal pumping speed(m3/h) | 50Hz | 260 | |||
60Hz | 305 | ||||
Base pressure(kPa)※3 | 2.7 | 0.8 | 0.13 | ||
Rotating speed(min-1) | 50Hz | 1450 | |||
60Hz | 1750 | ||||
Standard motor output(kW) | 15 | ||||
Refill water level(m3/h)※4 | 2.1 | ||||
Weight | With fully-enclosed fan cooled indoor-use motor※5 | 490 | 520 | 540 | |
Without motor | 350 | 380 | 400 | ||
*1 : WA is equipped with a single-stage air-ejector.
*2 : WB is equipped with a 2-stage air-ejector.
*3 : For a water temperature of 15℃.
*4 : Maximum refilling water temperature should be 35℃.
*5 : Non-standard motors are also available.
-Allowable ambient temperature: 10 to 40℃ during operation, -5 to +60℃ in storage.
-Drain water before storing to prevent freezing over.
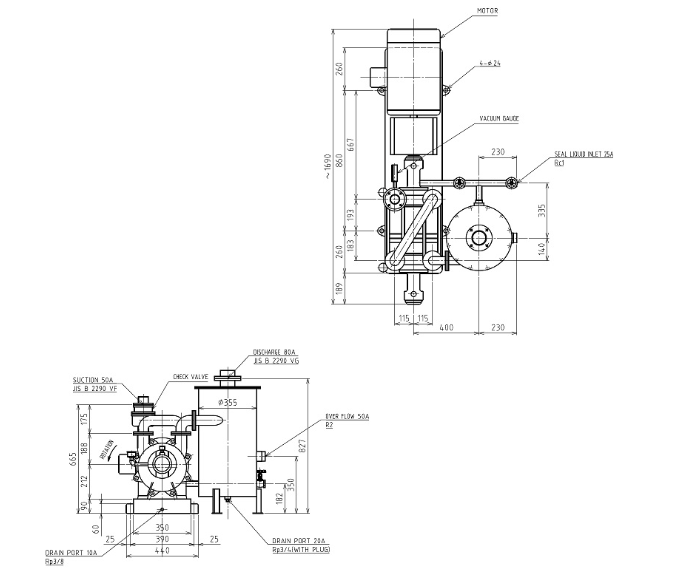
Dimensions












