Osaka Vacuum
Osaka W50S/WA50S Liquid-Ring Vacuum Pumps

Manufacturer: Osaka Vacuum, Ltd.
Model: W50S/WA50S
Features
- Ideal for exhausting water vapor, water droplets, and organic solvents.
- Good also for exhausting gases with dust and particles.
- It can also exhaust flammable corrosive gases.
- Simple construction, economical design.
- Material and seal type can also be changed.
- A variety of sealing liquids can be used.
- Effective as the final stage in compound exhaust systems.
- Can achieve base pressure below the steam pressure of the liquid ring by attached the air ejector.
Specifications
Model | W50S | WA50S※1 | ||
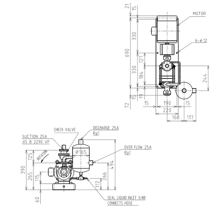
Inlet flange | 25A JIS B 2290 VF | |||
Nominal pumping speed(m3/h) | 50Hz | 44 | ||
60Hz | 50 | |||
Base pressure(kPa)※2 | 2.7 | 0.8 | ||
Rotating speed(min-1) | 50Hz | 2900 | ||
60Hz | 3500 | |||
Standard motor output(kW) | 2.2 | |||
Refill water level(m3/h)※3 | 0.48 | |||
Weight(kg) | With fully-enclosed fan cooled indoor-use motor※4 | 90 | 110 | |
Without motor | 60 | 80 | ||
- *1: WA is equipped with a single-stage air-ejector.
*2: For a water temperature of 15℃.
*3: Maximum refilling water temperature should be 35℃.
*4: Non-standard motors are also available.
-Allowable ambient temperature: 10 to 40℃ during operation, -5 to +60℃ in storage.
-Drain water before storing to prevent freezing over
Dimensions












