Sakaguchi Electric Heaters CO.
Sakaguchi Steatite H-type bushings

Manufacturer: Sakaguchi Electric Heaters CO., LTD.
Features
Specifications

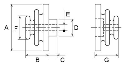
| Product Name | A | B | C | D | E | F | G | Product Code (Male) | Product Code (Female) |
|---|---|---|---|---|---|---|---|---|---|
| BA20 | 20 | 15 | 4 | 9.5 | 5.1 | 15 | 15 | BA20M | BA20W |
| BA23 | 23 | 19 | 4.5 | 12 | 5.2 | 16 | 19 | BA23M | BA23W |
| BA30 | 30 | 20 | 5.5 | 12 | 5.5 | 20 | 20 | BA30M | BA30W |
| BA40 | 40 | 20 | 6.5 | 13.5 | 5.5 | 20 | 20 | BA40M | BA40W |
Related Products
-

Sakaguchi For Export Use / Trade Use Terminal
-

Sakaguchi SD-II.-1 No.800 High Temperature Hot Air Generator
-

Sakaguchi S-3(III.) type (thermocouple type) Far Red Ceramic Heater
-

Sakaguchi Bladeless centrifugal stirring body with heater*1 (C-MIX)*2
-

Sakaguchi Black Ribbon Heater
-

Sakaguchi Hemispherical Standard Type Bladeless stirring body (C-Mix)





