Sakaguchi Electric Heaters CO.
Sakaguchi Striped tube

Manufacturer: Sakaguchi Electric Heaters CO., LTD.
Features
Specifications
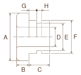
| Product Name | Dimensions (mm) | Product Code | ![]() | |||||||
|---|---|---|---|---|---|---|---|---|---|---|
| A | B | C | D | E | F | G | H | |||
| φ5 | 13 | 3.5 | 4.5 | 5.2 | 8.5 | 9.3 | 1.8 | 0.7 | STG5 | |
| φ8.5 | 20 | 5 | 10 | 8.5 | 11.5 | 13.2 | 4.4 | 2.2 | STG85 | |
| φ9.5 | 18 | 4 | 10.3 | 9.3 | 11.5 | 13 | 5.1 | 2.2 | STG95 | |
| φ10 | 20 | 5 | 10 | 10 | 13 | 15 | 5 | 2.2 | STG10 | |
| φ11 | 27 | 7 | 11.7 | 11 | 16 | 19 | 5 | 2.7 | STG11 | |
| φ12.5 | 27 | 7 | 10 | 12 | 16 | 19 | 3.9 | 2.4 | STG125 | |
| φ16 | 32 | 9 | 13 | 16 | 19 | 22 | 6 | 2.7 | STG16 | |












