Sakaguchi Electric Heaters CO.
Sakaguchi Steertight Terminal Cover

Manufacturer: Sakaguchi Electric Heaters CO., LTD.
Features
Specifications

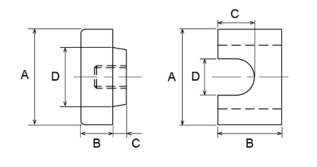
| Product Name | A | B | C | D | Product Code | |
|---|---|---|---|---|---|---|
| M3 | Cap | 13 | 7 | 2 | 8 | CHTM3C |
| Hakama | 13 | 13 | 8 | 7 | CHTM3H | |
| M4 | Cap | 19 | 7 | 3 | 13 | CHTM4C |
| Hakama | 19 | 14 | 8 | 8 | CHTM4H | |
| M5 | Cap | 21 | 7 | 3 | 13 | CHTM5C |
| Hakama | 21 | 14 | 9 | 8 | CHTM5H | |











