Suntest
Suntest SMR Series Environmentally Resistant Linear Encoder

Manufacturer: Suntest Co.,Ltd
Model: SMR Series
SMR series are the linear encoders using GMR (Giant Magneto Resistor) element. The sensor outputs A/B incremental signal according to relative movement between sensor and ferromagnetic scale of having 2mm pitch serration.
- Sensor adopts a highly-sensitive GMR element. It gives a stable output at velocity up to 15m/sec by high speed digital signal processing.
- SMR works without mechanical contact and can be used under harsh environments such as injection cylinder and die-casting machine.
- Serrated ferromagnetic scale shall be provided by customer.
Specifications
| Power supply | 24VDC±10% 0.05A |
|---|---|
| Resolution | 0.5mm/pulse (Multiply by 4) |
| Output type | A/B NPN O.C. 30VDC/0.1A |
| Frequency | 7.5kHz |
| Phase difference | 90°±10° |
| Duty rate | 50%±10% |
| Operating temp. | temp. -20°C to 60°C |
| Protection | IP64 |
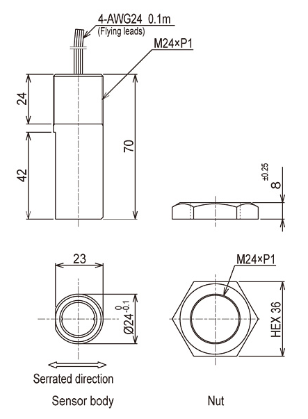
Model No.
SMR-70-24S
Dimensions

Material:Stainless304 (Sensor) / Stainless316 (Nut)











