Yamato Electric CD Series Double Saddle for Flexible Conduit

Manufacturer: Yamato Electric Co., Ltd.
Model: CD Series

Double Saddle for Flexible Conduit CD.

  • This is a double saddle made of steel plate, matched to the outer diameters of nominal size 70 and 82 flexible conduits.
  • It can also be used for securing pipes and cables.
  • For flexible conduits of nominal size 54 and smaller, please use the FCD type. (P80)

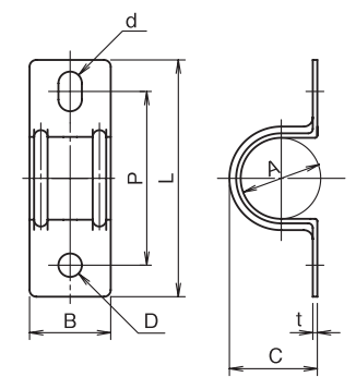
Unit: mm

Nominal SizeCode)
ABCDPLtdMass/Bag (g)Qty/Bag
CD-70.6376.540788.21101301.48.2×101001
-82.7588.590.5122142114
MaterialPolished Steel Plate
Remarks

REQUEST QUOTATION

PAYMENT

payment-methods

LINK

koueigroup-banner1
koueigroup-banner1

Return Top