Yamato Electric
Yamato Electric PD Series Hiflex PT Saddle

Manufacturer: Yamato Electric Co., Ltd.
Model: PD Series
Hiflex PT Saddle PD
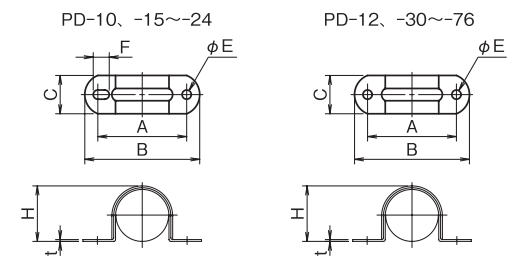
- This is a two-hole saddle used to fix the Hiflex PT flexible conduit.
- For fixing the Vinyl Sheath Hiflex PTV flexible conduit, please use the Adjustable Saddle FCD ().


Unit: mm
| Symbol | ||||||||||
|---|---|---|---|---|---|---|---|---|---|---|
| Model Name | A | B | C | H | E | F | t | Mass (g) | Quantity per Bag (pcs) | |
| PD-10 | 30 | 42 | 15 | 14.8 | 5.2 | 7 | 1 | 6 | 50 | |
| PD-12 | 33 | 45 | 16 | 18 | 5 | — | 1 | 7 | 50 | |
| PD-15 | 36 | 48 | 16 | 20 | 5 | 7 | 1 | 8 | 50 | |
| PD-17 | 39 | 51 | 18 | 23 | 5 | 7 | 1 | 10 | 50 | |
| PD-24 | 47 | 59 | 20 | 30 | 5 | 7 | 1 | 14 | 50 | |
| PD-30 | 58 | 75 | 25 | 36.7 | 6 | — | 1.2 | 27 | 50 | |
| PD-38 | 70 | 94 | 25 | 44.6 | 6 | — | 1.2 | 34 | 50 | |
| PD-50 | 85 | 100 | 25 | 57 | 6 | — | 1.2 | 39 | 20 | |
| PD-63 | 123 | 145 | 25 | 70.7 | 6 | — | 1.6 | 72 | 5 | |
| PD-76 | 125 | 155 | 30 | 84.3 | 6.5 | — | 1.6 | 95 | 5 | |
| Material | Polished Steel Plate | |||||||||
| Remarks | ||||||||||
Related Products
-

Yamato Electric MSA Series Waterproof Canon Plug Connection Straight Connector
-

Yamato Electric SQ Series Spark Quencher
-

Yamato Electric SPX-05A Slim Model
-

Yamato Electric MS-10×AY-8 Cable Clamp Connector (With Lock Nut)
-

Yamato Electric MPX-03DF-1PX4 Side Mounting Type/ Outdoor Use
-

Yamato Electric KCS-30E Side Mounting Type/ Non-Drain Model





