Yamato Electric CH Series Saddle for Flexible Conduit

Manufacturer: Yamato Electric Co., Ltd.
Model: CH Series

Saddle for Flexible Conduit CH

  • This is a single saddle made of steel plate, matched to the outer diameter of the flexible conduit.
  • It can also be used for securing pipes and cables.
  • There is also a series available for nominal sizes 6 to 28 with a mounting hole diameter (D) of φ 6.2.
  • The minimum sales unit is per bag (or package unit).

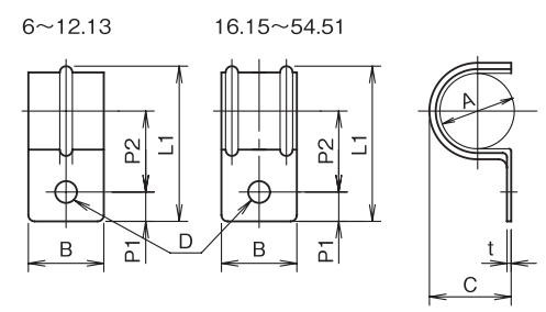
CH
Unit: mm

Nominal SizeCode
ABCDP1P2LtMass/Bag (g)Qty/Bag
CH- 61114125.271428.51335100
1015.516171835685
12.13181819.519.337863
16.1521.5202320.540.551950
2226.52228.524.846.51.2680
2833.5303527.1541386
3642446.23363.51.479220
4248.53550.536711062
54.516040624584.5721
MaterialPolished Steel Plate
Remarks

CH- . -6.2
Unit: mm

Nominal SizeCode
ABCDP1P2LtMass/Bag (g)Qty/Bag
CH- 6-6.21114126.271428.51350100
10-6.215.516171835640
12・13-6.2181819.519.337850
16.15-6.221.5202320.540.5530
22-6.226.52228.524.846.51.268050
28-6.233.5303527.1541358
MaterialPolished Steel Plate
Remarks

REQUEST QUOTATION

PAYMENT

payment-methods

LINK

koueigroup-banner1
koueigroup-banner1

Return Top