Yamato Electric
Yamato Electric LFS, LFE Series Connectors for LFF

Manufacturer: Yamato Electric Co., Ltd.
Model: LFS, LFE Series
Connectors for LFF (LFS, LFE)
- LFS is a connector that is combined with the flexible conduit LFF, and LFE is a collar used for end-treatment.
- LFS has a free-rotating mechanism, so it does not place a load on the LFF conduit or cables.
- A dedicated lock nut, LFS-L (sold separately), is available for LFS.
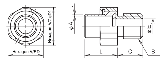
LFS

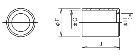
LFE

Unit: mm
| LFS Connector | LFE Collar | ||||||||||||||||
|---|---|---|---|---|---|---|---|---|---|---|---|---|---|---|---|---|---|
| Designation | Code | ||||||||||||||||
| A | B | C | Across Flats D | Across Flats D2 | E | L | t | Mass (g) | F | G | H | J | Mass (g) | ||||
| 4〜6 | 5 | 6.1 | M10 P1.5 | 10 | 14 | 15 | 6 | 13 | 0.5 | 9 | 7 | 6.1 | 3.8 | 12 | 0.9 | ||
| 4〜6 | 6 | 7.1 | M10 P1.5 | 10 | 14 | 15 | 6 | 13 | 0.5 | 8 | 8 | 7.1 | 4.8 | 12 | 1 | ||
| 4〜6 | 6 | 8.1 | M10 P1.5 | 10 | 14 | 15 | 6 | 13 | 0.5 | 8 | 9 | 8.1 | 5.8 | 12 | 1.2 | ||
| 7〜10 | 7 | 9.1 | M14 P1.5 | 10 | 21 | 23 | 10 | 14.5 | 0.6 | 21 | 10 | 9.1 | 6.8 | 13 | 1.5 | ||
| 7〜10 | 8 | 10.1 | M14 P1.5 | 10 | 21 | 23 | 10 | 14.5 | 0.6 | 20 | 11 | 10.1 | 7.8 | 13 | 1.6 | ||
| 7〜10 | 9 | 11.1 | M14 P1.5 | 10 | 21 | 23 | 10 | 14.5 | 0.6 | 20 | 12 | 11.1 | 8.8 | 13 | 1.8 | ||
| 7〜10 | 10 | 12.6 | M14 P1.5 | 10 | 21 | 23 | 10 | 14.5 | 0.6 | 19 | 13.5 | 12.6 | 9.8 | 13 | 2.2 | ||
| 11〜15 | 11 | 13.6 | M19 P1.5 | 10 | 26 | 28 | 15 | 14.5 | 0.6 | 29 | 14.5 | 13.6 | 10.8 | 13 | 2.2 | ||
| 11〜15 | 12 | 14.6 | M19 P1.5 | 10 | 26 | 28 | 15 | 14.5 | 0.6 | 29 | 15.5 | 14.6 | 11.8 | 13 | 2.4 | ||
| 11〜15 | 13 | 15.6 | M19 P1.5 | 10 | 26 | 28 | 15 | 14.5 | 0.6 | 27 | 16.5 | 15.6 | 12.8 | 13 | 2.6 | ||
| 11〜15 | 14 | 17.1 | M19 P1.5 | 10 | 26 | 28 | 15 | 14.5 | 0.6 | 27 | 18 | 17.1 | 13.8 | 13 | 2.9 | ||
| 11〜15 | 15 | 18.1 | M19 P1.5 | 10 | 26 | 28 | 15 | 14.5 | 0.6 | 25 | 19 | 18.1 | 14.8 | 13 | 3.3 | ||
| 16〜20 | 16 | 19.1 | M24 P1.5 | 10 | 30 | 32 | 20 | 16 | 0.6 | 39 | 20 | 19.1 | 15.8 | 14.5 | 4 | ||
| 16〜20 | 17 | 20.1 | M24 P1.5 | 10 | 30 | 32 | 20 | 16 | 0.6 | 37 | 21 | 20.1 | 16.8 | 14.5 | 4.9 | ||
| 16〜20 | 18 | 21.1 | M24 P1.5 | 10 | 30 | 32 | 20 | 16 | 0.6 | 36 | 22 | 21.1 | 17.8 | 14.5 | 4.3 | ||
| 16〜20 | 19 | 22.1 | M24 P1.5 | 10 | 30 | 32 | 20 | 16 | 0.6 | 35 | 23 | 22.1 | 18.8 | 14.5 | 4.5 | ||
| 16〜20 | 20 | 23.1 | M24 P1.5 | 10 | 30 | 32 | 20 | 16 | 0.6 | 34 | 24 | 23.1 | 19.8 | 14.5 | 4.3 | ||
| Material | Stainless Steel | ||||||||||||||||
| Remarks | |||||||||||||||||
Related Products
-

Yamato Electric FAN-06/ FAG-06/ FAW-06 Small Diameter Flexible Conduit
-

Yamato Electric KCR-04A Side Mounting Type/ Non-Freon Model
-

Yamato Electric MH Series 45° Angle Connector
-

Yamato Electric SPTL-11
-

Yamato Electric TB6-2DFM
-

Yamato Electric MSN Series Thin Steel Conduit Threadless Coupling Connector





