SUNCO
10-A002 (+) Slim Pan Head P=2

Model: 10-A002
Dia range:M4~M4
Length range:8~8
Iron (or standard).
Zinc yellow cr6+, Zinc blue cr6+, Trivalent zinc cr+3 color white, Trivalent zinc cr+3 color black,…

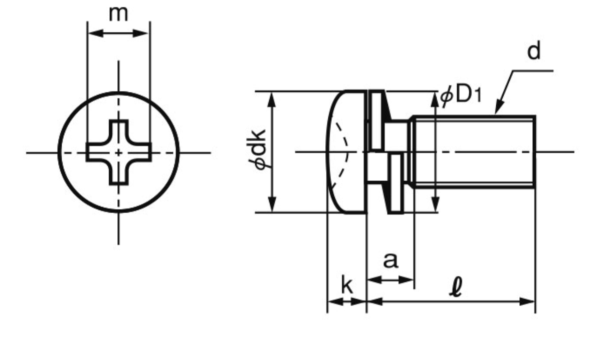
| Thread Nominal | Small Thread Body | Washer | a (Maximum) | |||||
|---|---|---|---|---|---|---|---|---|
| dk | k | Cross Hole | ||||||
| Cross Hole Number | m (Reference) | D1 (Max) | T (Min) | |||||
| M4 | 7 | 0 -0.5 | 2.2 ±0.5 | 2 | 4.2 | 7 | 1.0 | 2.15 |











