SUNCO
10-A302 (+) Slim Head P=2

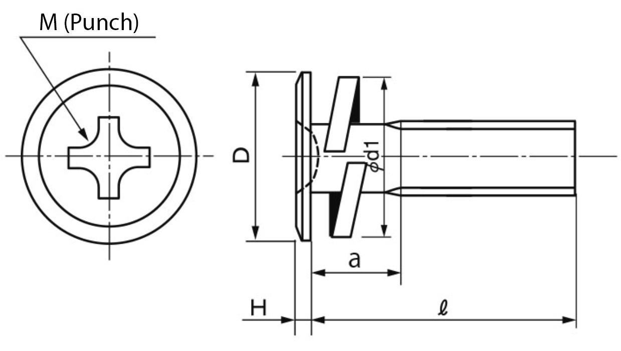
Model: 10-A302
Dia range:M3~M4
Length range:6~16
Iron (or standard).
Trivalent zinc cr+3 color white, Trivalent zinc cr+3 color black, Nickel.

| Thread Nominal | Phillips Recess No. | D | H | d1 | a | Minimum Clamping Plate Thickness | ||
|---|---|---|---|---|---|---|---|---|
| Standard Dimension | Tolerance | Standard Dimension | Tolerance | Max. | Max. | |||
| M3 | 1 | 6.0 | 0 -0.5 | 0.8 | ±0.1 | 5.5 | 1.5 | 0.8 |
| M4 | 2 | 8.0 | 0.9 | 7 | 2.15 | 1.15 | ||











