ASIA ELECTRONICS IND.CO.
ASIA ELECTRONICS BRM SERIES DC-DC CONVERTERS

Manufacturer: ASIA ELECTRONICS
Model: BRM Series
Features
- Low Profile 12.8mm
- Built-in Input Filter
- Input-Output Isolation (AC2000V)
- High Efficiency 87~90%
- Wide Input Voltage Range
- High Reliability
- 6 Sided Metal Shielding
- Remote ON/OFF Control
- Adjustable Output Volt. ±5%
- Input Low Voltage Protection
- Input Over Voltage Protection
- Output Over Voltage Protection 115~140% Operation
- Thermal Protection +110℃~+120℃
- Operating Ambient Temperature −40℃~+85℃
- Max. Case Temperature +105℃
- Conformity to RoHS2 Directive
- Not built-in aluminum and tantalum electrolytic capacitor
Specifications
◆General Characteristics
| Input Voltage, Range | DC12, 24, 48, 100V (See Table 1) |
| Output Voltage, Current | See Table 1 |
| Output Voltage Accuracy | ±2% |
| Output Voltage Range | ±3% (3.3, 5, 6V out only), ±5% Adjustable (Used trimmer) |
| Efficiency | See Table 1 |
| Line Regulation | ±0.3% max. (at Vin Range) |
| Load Regulation | ±0.5% max. (0–100% Load) |
| Reflected Input Ripple, Noise | (3% Vin) Vp-p max. |
| Output Ripple | 40mVp-p max. 100mVp-p max. (48V out only) |
| Output Noise | 100mVp-p max. 200mVp-p max. (48V out only) |
| Short Circuit Protection | Built-in, Auto-restart |
| Over Voltage Protection | 115–140% Output Voltage |
| Remote ON/OFF Control | ON: Short or 0–0.8V OFF: Open or 2–10V (Between terminal ②~③) |
| Temperature Coefficient | 0.02%/°C max. |
| Operating Ambient Temp. | −40°C to +85°C (See Fig. 1) |
| Max. Case Temperature | +105°C |
| Storage Temperature | −50°C to +115°C |
| Isolation Voltage | AC2000V one minute (Input–Output–Case) |
| Isolation Impedance | 100MΩ min. (at DC1000V) (Input–Output–Case) |
| Weight | Main Body: 100g max. Heat Sink: 40g max. |
| Humidity | 20–95% RH |
| Shock | 490m/s² (11 msec 3 directions) |
| Vibration | 10–55Hz 98m/s² (30 minutes 3 directions) |
| Surface Structure | 6 Sided Aluminum Case |
| MTBF | 500,000H (Ta: 25°C, 80% Load, Nominal Vin) |
| Warranty | 5 years |
◆General Characteristics
| Vout (V) | 3.3V | 5V | 6V | 12V | 15V | 24V | 28V | 48V |
| VR (Ω) | 50k | 50k | 50k | 50k | 50k | 50k | 50k | 50k |
| Rx (Ω) | 10k | 33k | 47k | 62k | 110k | 130k | 220k |
| Terminal Outs | |
|---|---|
| ① | + Vdc in |
| ② | 0 Vdc in |
| ③ | ON/OFF Control |
| ④ | + Vdc out |
| ⑤ | 0 Vdc out |
| ⑥ | TRM |
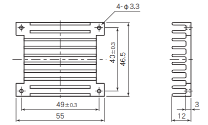
◆Option Heat Sink
◆Selection Guide
| Model Number | Input Volt. (Range) (V. DC) | Output Voltage (V. DC) | Output Current (A) | Efficiency (Typical)(%) | |
|---|---|---|---|---|---|
| 20% Load | 80% Load | ||||
| BRM12–3.3S | 12 (8~18) | 3.3 | 7 | 84 | 87 |
| BRM12–5S | 5 | 6 | 84 | 90 | |
| BRM12–6S | 6 | 5 | 84 | 90 | |
| BRM12–12S | 12 | 2.5 | 84 | 90 | |
| BRM12–15S | 15 | 2 | 84 | 90 | |
| BRM12–24S | 24 | 1.25 | 84 | 90 | |
| BRM12–28S | 28 | 1.07 | 84 | 90 | |
| BRM24–3.3S | 24 (16~36) | 3.3 | 7 | 84 | 87 |
| BRM24–5S | 5 | 6 | 84 | 90 | |
| BRM24–6S | 6 | 5 | 84 | 90 | |
| BRM24–12S | 12 | 2.5 | 84 | 90 | |
| BRM24–15S | 15 | 2 | 84 | 90 | |
| BRM24–24S | 24 | 1.25 | 84 | 90 | |
| BRM24–28S | 28 | 1.07 | 84 | 90 | |
| BRM48–3.3S | 48 (32~76) | 3.3 | 7 | 84 | 87 |
| BRM48–5S | 5 | 6 | 84 | 90 | |
| BRM48–6S | 6 | 5 | 84 | 90 | |
| BRM48–12S | 12 | 2.5 | 84 | 90 | |
| BRM48–15S | 15 | 2 | 84 | 90 | |
| BRM48–24S | 24 | 1.25 | 84 | 90 | |
| BRM48–28S | 28 | 1.07 | 84 | 90 | |
| BRM100–3.3S | 100 (64~144) | 3.3 | 7 | 84 | 87 |
| BRM100–5S | 5 | 6 | 84 | 90 | |
| BRM100–6S | 6 | 5 | 84 | 90 | |
| BRM100–12S | 12 | 2.5 | 84 | 90 | |
| BRM100–15S | 15 | 2 | 84 | 90 | |
| BRM100–24S | 24 | 1.25 | 84 | 90 | |
| BRM100–28S | 28 | 1.07 | 84 | 90 | |
◆Block Diagram











