Daikoken Heat Co.
Daikoken Heat EX and EN series AIRPRON

Manufacturer: Daikoken Heat Co., Ltd.
Model: EX and EN series
Features
- EX series are nozzles developed specifically for edge processing, such as cutting materials like sheet metal, wooden rolls, and papers on dry lines.
- These nozzles primarily use slit-type air knives to direct air onto the materials, enabling airflow to spread uniformly across the surface to cool and dry it.
- This solves the issue where both ends of the edge processing process could be different due to airflow inconsistency.
- By installing these EX and EN type nozzles at both ends, these problems are resolved.
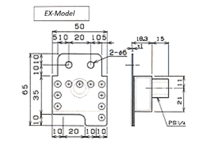
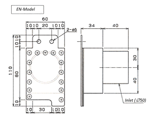
| Nozzle Type | Spray Length | Slit Width | Inlet |
|---|---|---|---|
| EX | 30 mm | 0.3 mm | PS⅛ |
| EN | 40 mm | 1 mm | ∅50 |


Related Products
-

Daikoken Heat DL series Dry draining air blowing for high pressure blowers
-

Daikoken Heat FP-S Series Air Filter High Temperature Specification Double Side Piping Connection
-

Daikoken Heat Abrasion-Resistant GL Type Hose (4 meters)
-

Daikoken Heat F Series Flange
-

Daikoken Heat HR Series Half-ring nozzle
-

Daikoken Heat DY&DYW Series Dry Draining Air Blowing Slit Type Air Nozzle for Compressor





