Daikoken Heat Co.
Daikoken Heat Two-side blowing nozzle BowNozzle

Manufacturer: Daikoken Heat Co., Ltd.
Features
- With the development of the bow nozzle, it is now possible to arrange nozzles in an ideal position as shown above for processing flat materials (such as film, metal plates, resin sheets, paper, glass, printed materials, etc.) in operations such as water removal, drying, and heating.
| Model | Spray width | Outlet type | Inlet |
|---|---|---|---|
| BOW-100 | 100 mm | Multi-slot type | φ50, φ65 |
| BOW-200 | 200 mm | Multi-slot type | φ75 |
Specifications
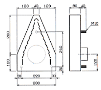
BOW-100 Dimensions
BOW-200 Dimensions
Related Products
-

Daikoken Heat DY&DYW Series Dry Draining Air Blowing Slit Type Air Nozzle for Compressor
-

Daikoken Heat EX Series Edge Processing
-

Daikoken Heat PGO-91&91G Wave Nozzle Pattagan
-

Daikoken Heat FS Series Air Filter High Temperature Type Pipe Connection on Both Sides
-

Daikoken Heat Stainless Steel Flexible Hose (4 meters)
-

Daikoken Heat LH series Heater for hot air generation







