DEICY
Deicy MHR5400 Series Magnetic-Hall Rotary Position Sensor

Manufacturer: DEICY Co., Ltd.
Model: MHR5400 Series
Features
- Dual electrically isolated outputs
- Angle range: 20° to 360°, every 1°
- 3 types of stainless steel shafts
- Low-friction ball race bearings
- 5 VDC or 8 to 30 VDC powered
- Protection class IP68/IP69K
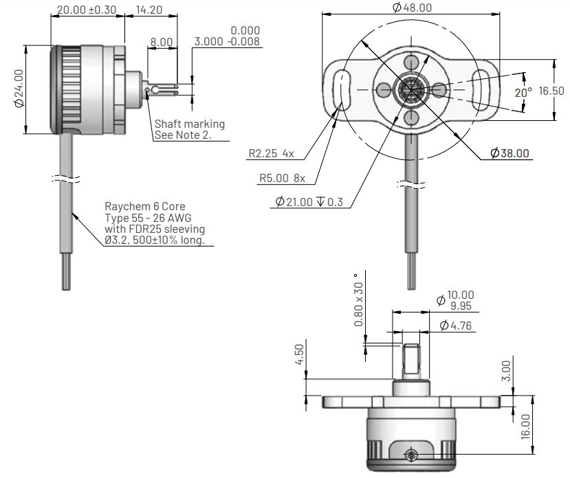
■ Dimensions for MHR5410 – Flange mounting with a sprung shaft

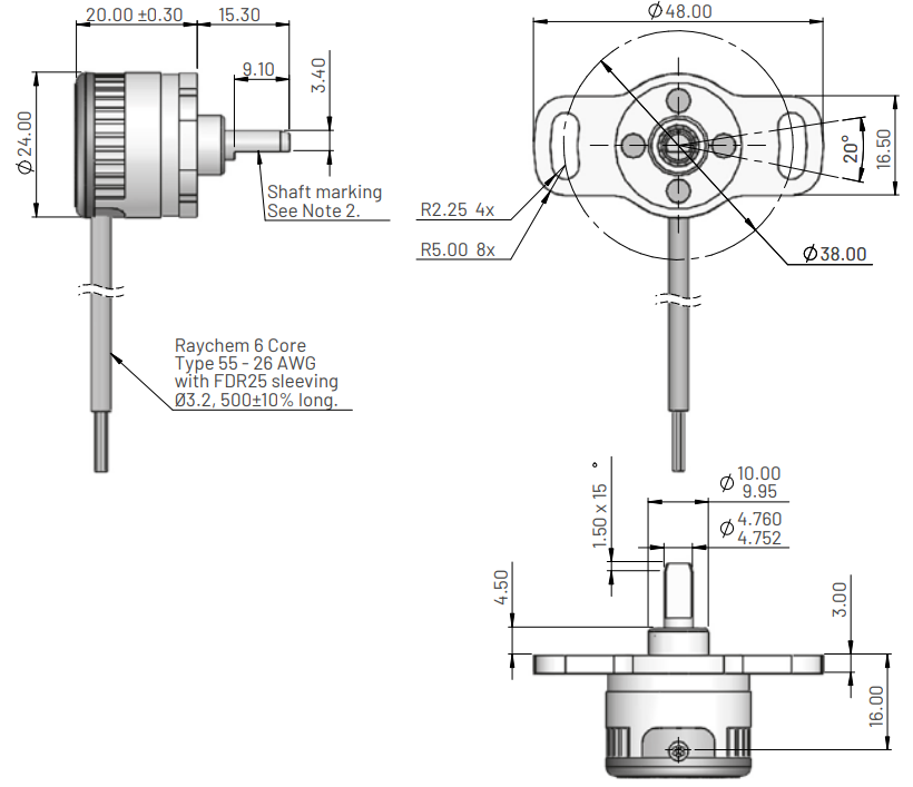
■ Dimensions for MHR5420 – Flange mounting with a round shaft

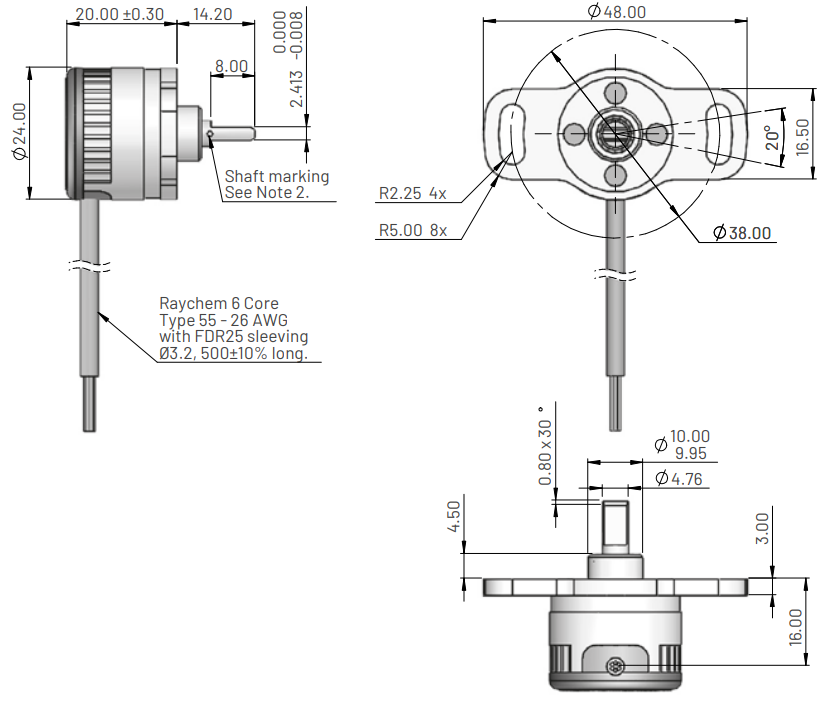
■ Dimensions for MHR5430 – Flange mounting with a blade shaft

Related Products
-

Deicy M72A Series IEPE Amplifier Unit
-

Deicy AR-60TC24 Series CAN Output 24-Channel Temperature Amplifier
-

Deicy N Series Liquid-Filled Capacitive Inclination Sensor
-

Deicy Wideband Data Recording System Dragonfly Series
-

Deicy CU-MC2 2-axis Pulse Motor Control Unit
-

Deicy CU-ST8-NDIS CAN Output 8-Channel Dynamic Strain/DC Voltage Input Amplifier





