Denki Keiki Co.
Denki Keiki Co., Ltd. SRT Series Lightning-Resistant Transformers

Manufacturer: Denki Keiki Co., Ltd.
Model: SRT Series
Features
- High insulation is provided by the triple-layer shield.
- Standard safety covers are equipped on the outlet model to prevent electric shock.
- The device is designed to prevent electrical damage to surrounding equipment and can be stored in a case.
- Due to abnormal weather conditions and urban heat island effects, localized, sudden lightning strikes have increased in recent years. It is generally stated that the lightning surge voltage on low-voltage circuits exceeds 3000V.
- The SRT series is a transformer designed to protect electrical equipment from lightning strikes. Advanced lightning protection and surge shielding technologies are incorporated to ensure the safety of machinery by suppressing lightning surges.
Specifications

| Applicable Standards | JEC-2200, JEM-1310 |
| Usage Classification | Continuous Rating |
| Ambient Temperature | -20°C to 40°C (No condensation) |
| Number of Poles | Single |
| Rated Frequency | 50/60Hz |
| Rated Capacity | 500VA, 750VA, 1kVA, 1.5kVA, 2kVA, 3kVA, 5kVA |
| Rated Voltage | F110-R100/100V, F220-R200/100V, F220-R200/200V |
| Insulation Class | H |
| Terminal Type | English |
| Acceptable Products | Three-phase type and large-capacity products, etc. |
◆ Standard Model Type
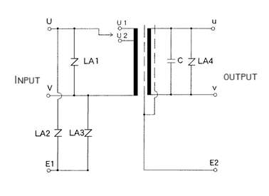
◆Circuit Diagram

| Item Code | Model |
| LA1~4 | Aresta |
| C | Condenser |
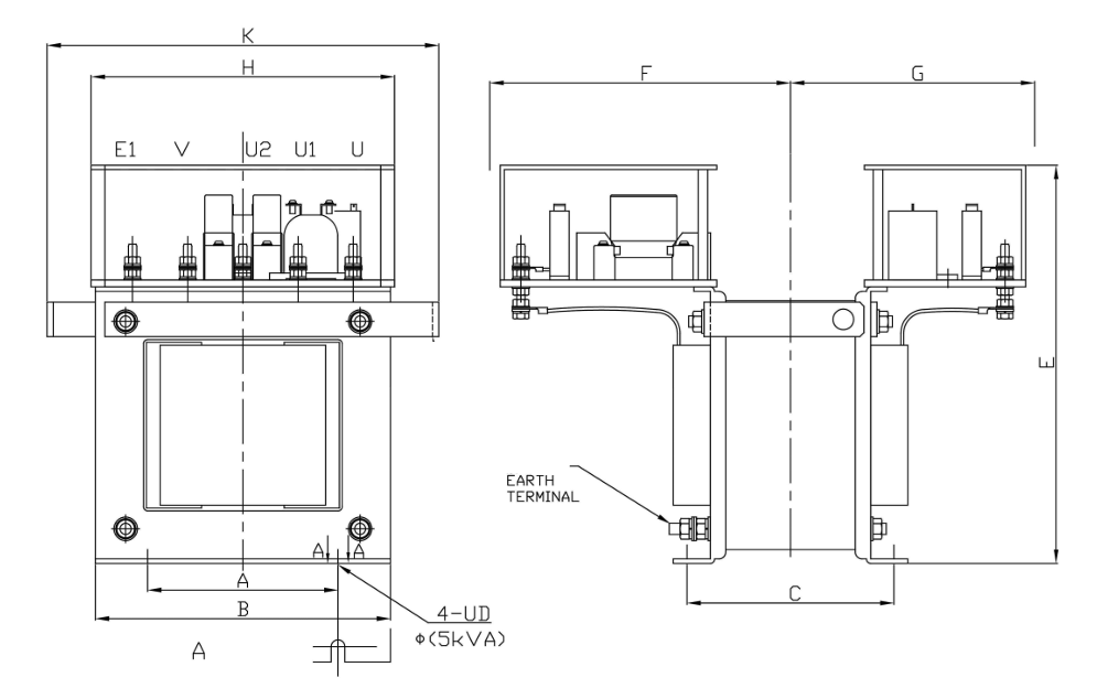
◆Lightning-resistant Transformer

| Model | Rated Capacity (VA) | A | B | C | E | F | G | H | UD | K | Terminal Size | Weight (kg) |
| SRT-50 | 500 | 120 | 190 | 92 | 265 | 190 | 150 | 220 | 10×22 | – | M6 | 14 |
| SRT-75 | 750 | 120 | 190 | 112 | 265 | 200 | 160 | 220 | 10×22 | – | M6 | 16 |
| SRT-100 | 1k | 138 | 210 | 110 | 295 | 195 | 155 | 220 | 10×22 | 320 | M6 | 20 |
| SRT-150 | 1.5k | 138 | 210 | 135 | 295 | 210 | 170 | 220 | 10×22 | 320 | M6 | 26 |
| SRT-200 | 2k | 138 | 210 | 150 | 295 | 215 | 175 | 220 | 10×22 | 320 | M6 | 30 |
| SRT-3K | 3k | 138 | 210 | 170 | 295 | 225 | 185 | 220 | 10×22 | 320 | M6 | 36 |
| SRT-5K | 5k | 190 | 360 | 145 | 350 | 210 | 170 | 220 | φ10 | 360 | M8 | 50 |
◆Performance Table
| Item | Condition | Performance |
| Voltage Variation Rate | 500VA ~ 2kVA | ≤ 4% |
| 3kVA ~ 5kVA | ≤ 3% | |
| Efficiency | 500VA ~ 2kVA | ≥ 93% |
| 3kVA ~ 5kVA | ≥ 95% | |
| Insulation Resistance | Between terminals (500V megohms) | ≥ 500MΩ |
| Withstand Voltage Test | First | 10kV for 1 minute |
| Second | 2kV for 1 minute | |
| Impact Wave Resistance | First | 30kV (1.2/50μS) |
| Surge Migration Rate | Unbalanced | ≤ -40dB |
| Temperature Rise | Unbalanced | ≤ 75K |
| Noise | Unbalanced | ≤ 60dB(A) at 75°C |
Related Products
-

Denki Keiki Co., Ltd. AT Series For Dry Low-Pressure Applications
-

Denki Keiki Co., Ltd. NRT Series Transformers for Preventing Interference Waves
-

Denki Keiki Co., Ltd. High Reactance Transformer
-

Denki Keiki Co., Ltd. Instrument Transformer
-

Denki Keiki Co., Ltd. DC Reactor
-

Denki Keiki Co., Ltd. Various General-Purpose Low-Voltage Dry-Type Transformers





