Freebear
Freebear H-Type Flange


Manufacturer: Freebear Corporation Ltd.
Model: H-Type Flange
Features
- The type with the heaviest load capacity among the freebear series.
Products with metal seal or rubber seal are also available to reduce the intrusion of scraps and dust.
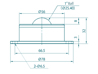
Specifications

Unit:mm
| Model | Allowable load | Max. load | Main ball | Small ball | Body | Weight |
|---|---|---|---|---|---|---|
| C-8HA | 80kg | 160kg | Steel | Steel | Steel | 494g |
| S-8HA | 80kg | 160kg | SUS | SUS | SUS | 498g |

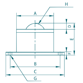
Unit:mm
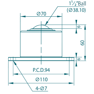
| Model | Allowable load | Max. load | Main ball | Small ball | Body | Weight | A | B | C | D | E | F | G | H |
|---|---|---|---|---|---|---|---|---|---|---|---|---|---|---|
| C-10H | 150kg | 300kg | Steel | Steel | Steel | 1175g | ∅65 | P.C.D.80 | ∅95 | 6.5 | 48 | 6 | 4-∅7 | 1¼″ Ball(∅31.75) |
| C-12H | 200kg | 400kg | Steel | Steel | Steel | 1664g | ∅70 | P.C.D.94 | ∅110 | 11 | 60 | 6 | 4-∅7 | 1½″ Ball(∅38.10) |
| S-12H | 200kg | 400kg | SUS | SUS | SUS | 1660g | ∅70 | P.C.D.94 | ∅110 | 11 | 60 | 6 | 4-∅7 | 1½″ Ball(∅38.10) |
| C-16H | 300kg | 600kg | Steel | Steel | Steel | 3996g | ∅95 | P.C.D.120 | ∅140 | 16 | 80 | 10 | 4-∅11 | 2″ Ball(∅50.80) |
| C-24H | 500kg | 1000kg | Steel | Steel | Steel | 10810g | ∅130 | P.C.D.155 | ∅180 | 20 | 120 | 10 | 4-∅11 | 3″ Ball(∅76.20) |

Unit:mm
| Model | Allowable load | Max. load | Main ball | Small ball | Body | Weight |
|---|---|---|---|---|---|---|
| C-12HR | 200kg | 400kg | Steel | Steel | Steel | 1648g |

Unit:mm
| Model | Allowable load | Max. load | Main ball | Small ball | Body | Weight | A | B | C | D | E | F | G | H |
|---|---|---|---|---|---|---|---|---|---|---|---|---|---|---|
| C-32H | 1000kg | 2000kg | Steel | Steel | Steel | 20000g | 187 | 180 | 31 | 6 | 130 | 4″ Ball(∅101.60) | 4-∅14 ∅20Countersink Depth16 | P.C.D.160 |
| C-40H | 1200kg | 2400kg | Steel | Steel | Steel | 40000g | 230 | 224 | 33 | 25 | 175 | 5″ Ball(∅127.00) | 4-∅14 ∅20Countersink Depth16 | P.C.D.205 |
| C-48H | 2000kg | 4000kg | Steel | Steel | Steel | 80000g | 290 | – | 40 | – | 200 | 6″ Ball(∅152.40) | 4-∅18 ∅26Countersink Depth20 | P.C.D.240 |
※Product specifications are subject to change without prior notice. Please contact us for details.
※For materials not contained herein, please contact us.
※The main ball of the stainless steel products contained herein is made of SUS440C.Please consult us for rust prevention purposes.
Related Products
-

Freebear Table AFT-600×900 (Air Supply Port: “900” Side) Air Lifting Type
-

Freebear AFU-2525 Pneumatically Actuated Freebear Unit
-

Freebear AFU-5050-4P Series Pneumatically Actuated Freebear Unit
-

Freebear FAD28T Air Die Lifter For Press Machines
-

Freebear Table -Handle Lifting Type HFT-600×900
-

Freebear S-Type





