Hirosugi
Hirosugi DSE-0000BN D-Sub Connector Mounting Spacer (Lead-Free Brass – Nickel Plated)

Manufacturer: Hirosugi Instruments Co., Ltd.
Model: DSE-0000BN
It can be used as a spacer for installing D-Sub connectors used in computers and their peripherals, control devices, etc.
Specification
- Material
- Lead-free free-cutting brass (bismuth-based C6801BD)
Lead content less than 100 ppm,
Cadmium content less than 10 ppm - Process
- Nickel plating (Ni)
*The body displays the BZ laser mark for identification.
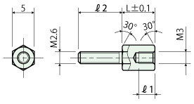
Exterior drawings

Thread diameter
(pitch)L Part Number ℓ1 ℓ2 M2.6
(0.45)6.15 DSE-6061BN 4 6 M3
(0.5)6.2 DSE-6062BN 4 6
Related Products
-

Hirosugi KSB-300BE Brass spacer (for mounting hexagonal and thin-plate countersunk screws)
-

Hirosugi MSL-400-05E Aluminum Spacer (hexagonal, for short stacking)
-

Hirosugi CL-300E Aluminum Spacer (hollow, pickled)
-

Hirosugi MSU-400-05 Stainless Steel Spacer (Hexagonal, For Short Stacking)
-

Hirosugi SM-000E Axle Protection Spacer (formerly known as set piece)
-

Hirosugi ESL-400BE Aluminum Spacer (hexagonal double-ended male thread, black anodized)





