Mizumoto Machine Mfg. Co.
Mizumoto DI Series Diamond Eye

Manufacturer: Mizumoto Machine Mfg. Co., Ltd.
Model: DI Series
Features
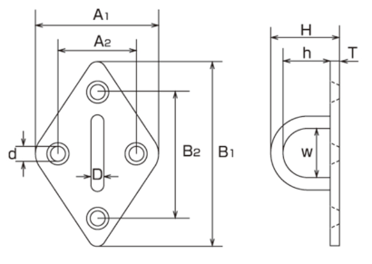
- The shape is diamond shaped.
- It is a type that stops in 4 places.
- It is installed on walls, floors, pillars, etc., and is used as a terminal hardware for chains, wires, and ropes.
Specifications
| Model | D | A1 | A2 | B1 | B2 | H | h | W | d | T | Weight (kg) | Reference Load (kef) | Reference Load (kN) |
|---|---|---|---|---|---|---|---|---|---|---|---|---|---|
| DI-5 | 5 | 37 | 24 | 59 | 46 | 22 | 12 | 14 | 4.2 | 3 | 38 | 15 | 0.15 |
| DI-6 | 6 | 40 | 27 | 65 | 51 | 29 | 17 | 17 | 4.2 | 3 | 43 | 20 | 0.20 |
| DI-8 | 8 | 50 | 33 | 80 | 62 | 35 | 21 | 21 | 5.2 | 3 | 76 | 30 | 0.29 |
Dimensions (mm)












