Mizumoto Machine Mfg. Co.
Mizumoto HF Series Hanger Unit

Manufacturer: Mizumoto Machine Mfg. Co., Ltd.
Model: HF Series
Features
- The ring part falls over, so it is less likely to get in the way when not in use.
- It is installed on walls, floors, pillars, etc., and is used as a terminal hardware for chains, wires, and ropes.
- Stainless steel plate with wooden twister.
Specifications
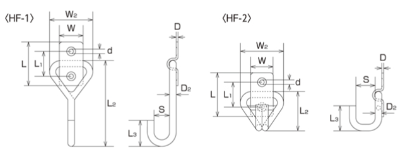
| Model | D (cm) | L (cm) | L1 (cm) | W (cm) | d (cm) | D2 (cm) | L2 (cm) | W2 (cm) | L3 (cm) | S (cm) | Weight (kg) | Reference Usage Test (kgf) | Reference Usage Test (kN) |
|---|---|---|---|---|---|---|---|---|---|---|---|---|---|
| HF-1(B-1911) | 1.5 | 36 | 21 | 18 | 3.2 | 5 | 70 | 35 | 21 | 11 | 31 | 10 | 0.10 |
| HF-2(B-1912) | 1.5 | 36 | 21 | 18 | 3.2 | 5 | 33 | 35 | 22 | 15 | 33 | 10 | 0.10 |
*Stainless steel countersunk wood screws are included.
Dimensions (mm)












