Mizumoto Machine Mfg. Co.
Mizumoto IP-N Series Eye Plate (with Machine Screws)

Manufacturer: Mizumoto Machine Mfg. Co., Ltd.
Model: IP-N Series
Features
- It is a type that stops in 4 places.
- It is installed on walls, floors, columns, etc., and is used as terminal fittings such as chains, wires, and ropes.
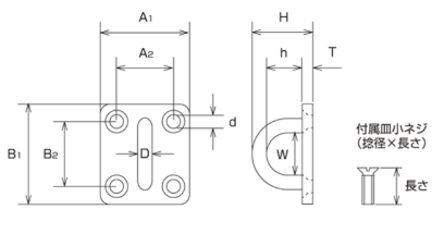
Specifications
| Model | D | A1 | A2 | B1 | B2 | H | h | W | d | T | Weight (g) | Thread Size | Reference Load (kgf) | Reference Load (kN) |
|---|---|---|---|---|---|---|---|---|---|---|---|---|---|---|
| NEW IP-4N (B-3070) | 4 | 25 | 16 | 28 | 17 | 10 | 12 | 3.5 | 17 | 2 | 17 | M3X10 | 15 | 0.15 |
| NEW IP-5N (B-3071) | 5 | 30 | 18 | 30 | 18 | 17 | 10 | 3.5 | 25 | 2 | 25 | M4X10 | 20 | 0.20 |
| NEW IP-6N (B-3072) | 6 | 40 | 25 | 27 | 20 | 25 | 12 | 4.5 | 45 | 3 | 46 | M5X20 | 30 | 0.29 |
| NEW IP-8N (B-3073) | 8 | 29 | 50 | 65 | 51 | 30 | 40 | 5.2 | 75 | 4 | 75 | M6X20 | 50 | 0.49 |
| NEW IP-9N (B-3074) | 9 | 42 | 27 | 58 | 43 | 37 | 24 | 6.5 | 100 | 4 | 100 | M6X20 | 60 | 0.59 |
*Comes with 4 stainless steel countersunk machine screws
(depending on the usage environment, the attached screws may not be available)
Dimensions (mm)












