Mizumoto Machine Mfg. Co.
Mizumoto OPD Series Open Pad Eyes

Manufacturer: Mizumoto Machine Mfg. Co., Ltd.
Model: OPD Series
Features
- It can be mounted on surfaces with a narrow installation width.
- Please use the screw on the countersunk head. Attach it to a post or wall.
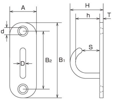
Specifications
| Model | D | A | B1 | B2 | H | h | d | S | T | Weight (g) | Reference Load (kgf) | Reference Load (kN) |
|---|---|---|---|---|---|---|---|---|---|---|---|---|
| OPD-5 | 5 | 15 | 45 | 35 | 20 | 13 | 4.2 | 10 | 2 | 14 | 10 | 0.1 |
| OPD-6 | 6 | 20 | 60 | 46 | 18 | 15 | 5.2 | 14 | 2 | 26 | 15 | 0.15 |
| OPD-8 | 8 | 26 | 80 | 60 | 32.5 | 21.5 | 5.2 | 16 | 3 | 63 | 20 | 0.2 |
| OPD-9 | 9 | 32 | 100 | 73 | 38 | 26 | 6.2 | 19 | 3 | 93 | 30 | 0.29 |
Dimensions (mm)












