Mizumoto Machine Mfg. Co.
Mizumoto PD Series Pad Eye

Manufacturer: Mizumoto Machine Mfg. Co., Ltd.
Model: PD Series
Features
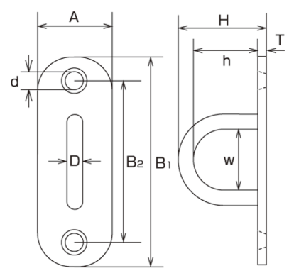
- It can be mounted on surfaces with a narrow installation width.
- Please use the screw on the countersunk head.
- Attach it to a post or wall.
Specifications
| Model | D | A | B1 | B2 | H | h | W | d | T | Weight (kg) | Reference Load (kef) | Reference Load (kN) |
|---|---|---|---|---|---|---|---|---|---|---|---|---|
| PD-3 | 3 | 9 | 27 | 22 | 11.8 | 7 | 9.5 | 2.2 | 1.8 | 4 | 3 | 0.03 |
| PD-4 | 4 | 12 | 36 | 28.5 | 15.8 | 10 | 12.5 | 3.2 | 1.8 | 8 | 7 | 0.07 |
| PD-5 | 5 | 15 | 45 | 19.5 | 12.5 | 14 | 3.2 | 2 | 4 | 15 | 10 | 0.15 |
| PD-6 | 6 | 20 | 60 | 46 | 17 | 18 | 5.2 | 2 | 5 | 27 | 20 | 0.20 |
| PD-8 | 8 | 26 | 80 | 62 | 35 | 20 | 5.2 | 2.5 | 5 | 67 | 30 | 0.29 |
| PD-9 | 9 | 32 | 100 | 73 | 36 | 26.5 | 6.2 | 3 | 6 | 104 | 60 | 0.59 |
| PD-12 | 12 | 35 | 120 | 51.8 | 38 | 25 | 4.8 | 4 | 8 | 238 | 120 | 1.18 |
| Model | D | A | B1 | B2 | H | h | W | d | T | Weight (kg) | Reference Load (kef) | Reference Load (kN) |
|---|---|---|---|---|---|---|---|---|---|---|---|---|
| NEW PD-4H | 4 | 12 | 36 | 28.5 | 25.8 | 7 | 12.5 | 3.2 | 1.8 | 10 | 7 | 0.07 |
| NEW PD-5H | 5 | 15 | 45 | 35 | 30 | 23 | 14 | 4.2 | 2 | 18 | 15 | 0.15 |
| NEW PD-6H | 6 | 20 | 60 | 46 | 48 | 40 | 18 | 5.2 | 2 | 38 | 20 | 0.20 |
| NEW PD-8H | 8 | 26 | 80 | 60 | 65 | 23 | 5.2 | 3 | 3 | 95 | 30 | 0.29 |
| Model | D | A | B1 | B2 | H | h | W | d | T | Weight (kg) | Reference Load (kef) | Reference Load (kN) |
|---|---|---|---|---|---|---|---|---|---|---|---|---|
| NEW PD-4W | 4 | 12 | 48 | 40 | 20.8 | 15 | 20 | 3.2 | 1.8 | 11 | 7 | 0.07 |
| NEW PD-5W | 5 | 15 | 55 | 45 | 29 | 22 | 25 | 4.2 | 2 | 21 | 15 | 0.15 |
| NEW PD-6W | 6 | 20 | 77 | 65 | 35 | 40 | 5.2 | 2 | 2 | 43 | 20 | 0.20 |
| NEW PD-8W | 8 | 26 | 92 | 80 | 56 | 45 | 50 | 5.2 | 3 | 100 | 30 | 0.29 |
Dimensions (mm)












