Mizumoto Machine Mfg. Co.
Mizumoto PDB Series Backing Plate For Pad Eyes

Manufacturer: Mizumoto Machine Mfg. Co., Ltd.
Model: PDB Series
Features
- This is the perfect size back for pad eyes, pad eye round cans, and open pad eyes.
- By attaching it to the back of the object to which the pad eye is attached, it serves as a reinforcement.
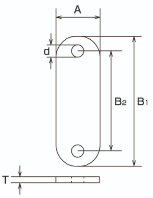
Specifications
| Model | Applicable Size | A | B1 | B2 | d | T | Weight (g) |
|---|---|---|---|---|---|---|---|
| PDB-5 | PD-5 | 15 | 45 | 35 | 4.2 | 2 | 9 |
| PDB-6 | PD-6 | 20 | 60 | 46 | 5.2 | 2 | 16 |
| PDB-8 | PD-8 | 26 | 80 | 60 | 5.2 | 3 | 42 |
| PDB-9 | PD-9 | 32 | 100 | 73 | 6.2 | 3 | 66 |
| PDB-12 | PD-12 | 35 | 120 | 90 | 8.2 | 5 | 144 |
*This is a backing plate for PD, PDR, OPD.
*Please use it as a reinforcement for the contact patch.
Dimensions (mm)












