Mizumoto Machine Mfg. Co.
Mizumoto UBP Series Oval Plate For U-Bolt

Manufacturer: Mizumoto Machine Mfg. Co., Ltd.
Model: UBP Series
Features
- This plate is tailored to the pitch.
- It is assembled with U-bolts and used.
- It does not apply to U-bolts for general steel pipes.
Specifications
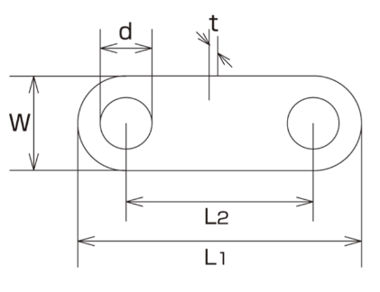
| Item Number | L1 | L2 | W | d | t | Applicable U-bolt | Weight (g) | Package Unit |
|---|---|---|---|---|---|---|---|---|
| UBP-0430 | 40 | 30 | 10 | 4.7 | 1 | UB-4 | 2 | 100 |
| UBP-0535 | 47 | 35 | 12 | 5.4 | 1 | UB-5 | 4 | 100 |
| UBP-0635 | 50 | 35 | 15 | 6.5 | 1.5 | UB-6 | 6 | 100 |
| UBP-0832 | 48 | 32 | 16 | 8.8 | 1.5 | UC-80932 | 7 | 100 |
| UBP-0834 | 51 | 34 | 16 | 8.8 | 1.5 | U-80634 | 7 | 100 |
| UBP-0835 | 51 | 35 | 16 | 8.8 | 1.5 | UB-8 U-80835 | 7 | 100 |
| UBP-0840 | 56 | 40 | 16 | 8.8 | 1.5 | U-81040 | 8 | 100 |
| UBP-0850 | 66 | 50 | 16 | 8.8 | 1.5 | U-80850 | 10 | 100 |
| UBP-1050 | 80 | 60 | 16 | 8.8 | 1.5 | U-81050 | 17 | 50 |
| UBP-1260 | 84 | 60 | 24 | 12.8 | 2.5 | UB-12 | 31 | 50 |
Dimensions (mm)












