NIC AUTOTEC
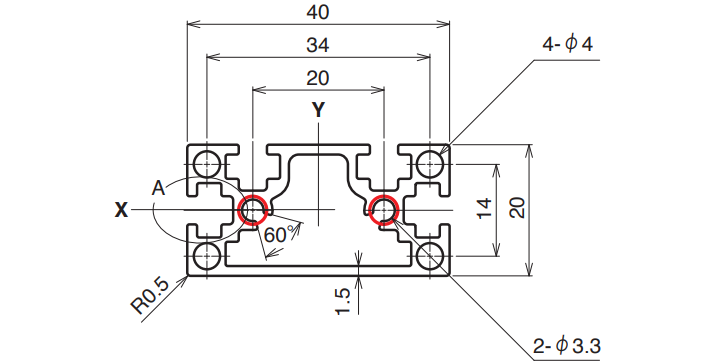
NIC Autotec AFSF-2040-4 Basic Frame

Manufacturer: NIC Autotec, Inc.
Model: AFSF-2040-4
Dimensions

Specifications
| Length | Page length * 1 | Material | Tensile Fitness | Cross-sectional Area | Mass | Second Moment of Area |
|---|---|---|---|---|---|---|
| 6,000 mm | 15–4,000 mm | A6063S-T5 | 185 N/mm² | 263.6 mm² | 0.712 kg/m | Ix 1.22 × 10⁴ mm⁴ Iy 4.47 × 10⁴ mm⁴ |











