Nippon Gear Co.
Nippon Gear DC Motor

Manufacturer: Nippon Gear Co., Ltd.
Features
- High starting torque characteristics appropriate for valve characteristics
- Motors to which the line starting method is applicable
Because the motors to which the line starting method is applicable do not require current-limiting resistance at the time of starting nor a switching circuit, which are required for general-purpose DC motors, the circuit can be simplified.
Specifications
- 1. Excitation type, self-excitation/cumulative compound type
2. Power supply
100 V, 110 V, 115 V
200 V, 230 V, 250 V (options)
3. Size (Output: Based on starting torque)
#2, #5, #7.5, #10, #15, #25, #40, #60, #80, #100, #150, #200
4. Hours of operation (Short-time rating)
20 % load (Intermediate load) #2 to #25: 15 mins #40 to #200: 5 mins
40 % load (Intermediate load) #2 to #25: 7.5 mins #40 to #200: 2 mins
5. Brake (Option)
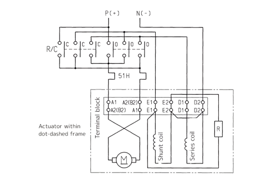
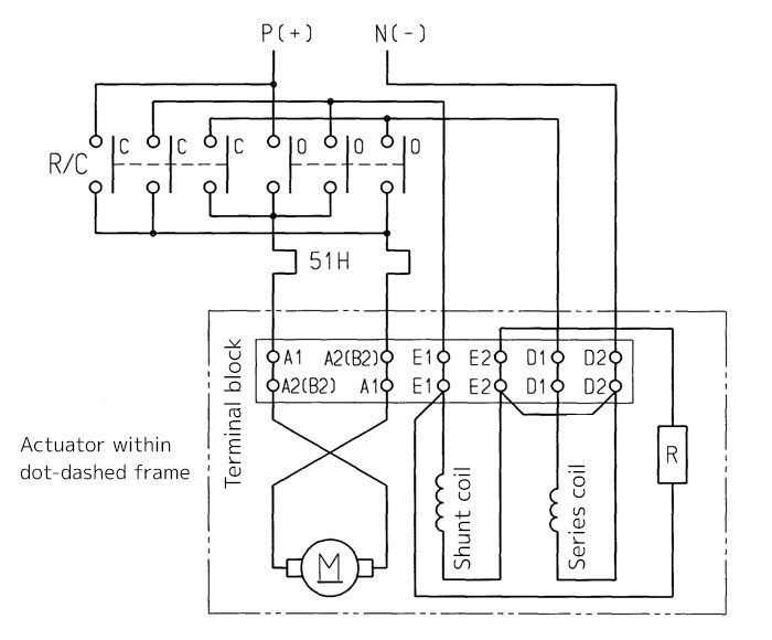
DC motor connection diagram

Explanation on symbols
R/C: Reversible electromagnetic switch
51H: Thermal relay heater
R: Discharge resistance
(Note 1) External wiring to E2 terminal is prohibited.
(Note 2) R represents discharge resistance.
(Note 3) When the motor size is #7.5 and larger (with interpole), B2 is used instead of A2 as the terminal marking.











