Nippon Gear Co.
Nippon Gear Handwheel

Manufacturer: Nippon Gear Co., Ltd.
Features
- A screw jack with a trapezoidal screw has the self-locking function, so it can be used for manual operation by merely attaching a dedicated handwheel.
* It is recommended to ensure the handwheel operating force is no more than 50N.
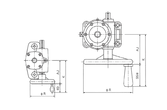
* The grip size (length) for 80 type and 100 type is 40.
Specifications
| Handwheel operating force (N) | = | Required input shaft torque (N·m) |
| Handwheel radius (m) |
| 80 type | 100 type | 200 type | 300 type | |||||||||
|---|---|---|---|---|---|---|---|---|---|---|---|---|
| R | K | AJ | R | K | AJ | R | K | AJ | R | K | AJ | |
| RMG | 80 | 115 | 75 | 100 | 120 | 80 | ||||||
| RSG | 80 | 130 | 90 | 100 | 130 | 90 | ||||||
| J0G | 100 | 135 | 95 | 200 | 210 | 115 | ||||||
| J1G | 100 | 145 | 105 | 200 | 210 | 115 | ||||||
| J2G | 300 | 275 | 180 | |||||||||
| J3G | 300 | 285 | 190 | |||||||||











